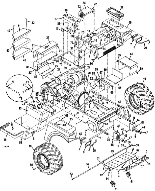
729BT6 Tractor Assembly  - 2015
Click On a Part Number Below for Details
NOTE: If the part number you select is not linked to the shopping cart,call toll-free 866-698-4070 for availability.
| Item # | Part Number - Description | Price | |
|---|---|---|---|
| 1 | 644873 - 700T AC Lower Frame | Call For Details | |
| 2 | 645214 - 700 Upper Frame | Call For Details | |
| 3 | 253192 - Hex Flange Whiz Bolt | Add To Cart | |
| 4 | 253035 - Whiz Nut | Add To Cart | |
| 5 | 780900 - Tension Rod | Call For Details | |
| 6 | 253200 - Bolt Whiz | Add To Cart | |
| 7 | 182253 - Flood Worklamp | Add To Cart | |
| 8 | 182251 - Snap Mount Worklamp Bezel | Add To Cart | |
| 9 | 253203 - Flange Bolt Whiz | Add To Cart | |
| 10 | 605824 - 700T Throttle/Choke Mount Assembly | Add To Cart | |
| - | 323655 - Control Cable Assembly | Add To Cart | |
| - | 722009 - Throttle Lever Stop | Add To Cart | |
| 11 | 422150 - Handle Grip | Add To Cart | |
| 12 | 902280 - Spacer | Add To Cart | |
| 13 | 243335 - Hex Bolt | Add To Cart | |
| 14 | 257040 - Washer | Add To Cart | |
| 15 | 693230 - Rt 7/900 Fender w/Decal | Add To Cart | |
| - | 693220 - Rt 7/900 Fender w/Safety Decal | Call For Details | |
| 16 | 693231 - Lt 7/900 Fender w/Decal | Call For Details | |
| - | 693221 - Lt 7/900 Fender W/Safety Decal | Add To Cart | |
| 17 | 722875 - Console Frame | Call For Details | |
| 18 | 483942 - Right Wheel & Bar Tread Tire, 22 x 11 x 10 | Add To Cart | |
| 19 | 483943 - Left Wheel & Bar Tread Tire, 22 x 11 x 10 | Add To Cart | |
| - | 482473 - Turf Tire Only, 22 x 10 x 10 | Add To Cart | |
| - | 482477 - OTR Turf Tire 22 x 11 x 10 | Add To Cart | |
| - | 482483 - Bar Tread Tire Only, 22 x 11 x 10 | Add To Cart | |
| - | 483420 - 5 Bolt Wheel Only, 10 x 8.5 | Add To Cart | |
| - | 483946 - Wheel & Turf Tire, 22 x 10 x 10 | Add To Cart | |
| 20 | 100194 - 29HP B & S Engine | Call For Details | |
| 21 | 100803 - Briggs Oil Filter | Add To Cart | |
| 22 | 100209 - Air Cleaner | Call For Details | |
| 22 | 100201 - Dust Ejector | Call For Details | |
| - | 100936 - Air Filter - Outer HD | Add To Cart | |
| - | 100937 - Air Filter - Inner HD | Call For Details | |
| 23 | 366560 - In-Line Fuel Filter Briggs | Add To Cart | |
| 24 | 101255 - Muffler | Call For Details | |
| 25 | 766171 - Muffler Shield Bracket | Call For Details | |
| 26 | 722837 - Muffler Shield | Call For Details | |
| 27 | 722841 - Muffler Shield Outer | Add To Cart | |
| 28 | 422040 - Tool Box | Add To Cart | |
| 29 | 822635 - Fender Edge Trim - 700/900 | Add To Cart | |
| 30 | 693121 - Console w/Decal | Call For Details | |
| 31 | 645051 - Console Mount | Call For Details | |
| 32 | 142245 - Mechanical Choke | Add To Cart | |
| 33 | 605795 - 8.0 Gas Tank Assembly .25 BARB | Add To Cart | |
| 34 | 141144 - In-Tank Fuel Gauge | Add To Cart | |
| - | 424275 - Grommet | Add To Cart | |
| 35 | 100212 - Sealed Tether Fuel Cap | Add To Cart | |
| 36 | 101875 - Fuel Tube Bushing | Add To Cart | |
| 37 | 363928 - Fuel Tube | Add To Cart | |
| 38 | 821710 - Fuel Hose | Add To Cart | |
| 39 | 280260 - Hose Spring Clamp | Add To Cart | |
| 40 | 323933 - 34 LB Counterweight | Add To Cart | |
| 41 | 729514 - 34 LB Weight Cover | Call For Details | |
| 42 | 247325 - Carriage Bolt | Add To Cart | |
| 43 | 643092 - 700/900 right Quick Disconnect Deck Mount | Add To Cart | |
| 44 | 643093 - 700/900 left Quick Disconnect Deck Mount | Add To Cart | |
| 45 | 247280 - Special Carriage Bolt | Add To Cart | |
| 46 | 282575 - Deck Mount Bushing | Add To Cart | |
| 47 | 282576 - Floating Deck Mount Bushing | Add To Cart | |
| 48 | 253460 - Nylon Insert Nut | Add To Cart | |
| 49 | 604346 - Adjustable Foot Platform Assembly - 700/900 | Add To Cart | |
| 50 | 100216 - Fuel Tank Valve - 2011 | Add To Cart | |
| 51 | 422615 - Nylon Bearing | Add To Cart | |
| 52 | 780673 - Foot Platform Pivot Rod - 700 | Call For Details | |
| 53 | 253470 - Nylon Insert Nut | Add To Cart | |
| 54 | 424052 - Rubber Bumper | Add To Cart | |
| 55 | 643304 - Foot Platform Extension - 700 | Add To Cart | |
| 56 | 821742 - Fuel Vapor Hose | Add To Cart | |
| 57 | 247130 - Carriage Bolt | Add To Cart | |
| 58 | 723339 - 8 Gallon Tank Shield | Add To Cart | |
| 59 | 644826 - 8 Gallon Tank Mount | Add To Cart | |
| 60 | 283312 - Compression Spring | Add To Cart | |
| 61 | 424100 - Footrest Isolator Block | Add To Cart | |
| 62 | 243026 - Hex Bolt | Add To Cart | |
| 63 | 253043 - Whiz Nut | Add To Cart | |
| 64 | 644163 - Battery Box W/O Draw latch | Add To Cart | |
| 65 | 644478 - Battery Box W/O Latch Lid | Add To Cart | |
| 66 | 427278 - Battery Tray Pad | Add To Cart | |
| 67 | 754135 - Battery Hold Down Bracket | Add To Cart | |
| 68 | 257020 - Washer | Add To Cart | |
| - | 253440 - Nylon Nut Insert | Add To Cart | |
| 69 | 253175 - Hex Bolt Whiz | Add To Cart | |
| 70 | 253025 - Whiz Nut | Add To Cart | |
| 71 | 253173 - Hex Bolt Whiz | Add To Cart | |
| 72 | 253176 - Bolt Whiz Truss | Add To Cart | |
| 73 | 254431 - Speed Nut | Add To Cart | |
| 74 | 424015 - Rubber Bumper | Add To Cart | |
| 75 | 422065 - Square Plastic Plug - 1 in. ID | Add To Cart | |
| 76 | 773010 - Aluminum Washer | Add To Cart | |
| 77 | 887123 - Adapter | Add To Cart | |
| 78 | 424474 - Engine Oil Drain Hose Assembly | Add To Cart | |
| 79 | 365515 - Metal Pipe Plug | Add To Cart | |
| 80 | 248565 - Lug Bolt | Add To Cart | |
| 81 | 257051 - Washer | Add To Cart | |
| 82 | 257422 - Lock Washer | Add To Cart | |
| 83 | 243445 - Hex Bolt | Add To Cart | |
| 84 | 722985 - Coupler Shield 700BT | Add To Cart | |
| 85 | 721181 - 8 Gallon Tank Heat Shield | Call For Details | |
| 86 | 833682 - Exhaust Extension | Call For Details | |
| - | 101370 - Muffler Clamp | Call For Details | |
| 87 | 253180 - Bolt | Add To Cart | |
| 88 | 254432 - Plastic Retainer Nut | Add To Cart | |
| 89 | 822501 - Console Mount Seal | Call For Details | |
| 90 | 605336 - 729BT6 Decal Set | Call For Details |