729BT6 Universal Harness - Limited  - 2018
Click On a Part Number Below for Details
NOTE: If the part number you select is not linked to the shopping cart,call toll-free 866-698-4070 for availability.
| Item # | Part Number - Description | Price | |
|---|---|---|---|
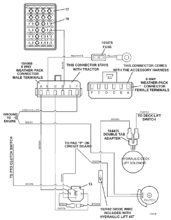
| 13 | 184266 - 12V DC Relay w/Diode | Add To Cart | |
| 17 | 181725 - Fuse Block | Add To Cart | |
| - | 162341 - Front Mount Decal Fuse ID | Call For Details | |
| - | 181726 - Fuse Block Cover | Add To Cart | |
| - | 184985 - Cable Seal | Call For Details | |
| - | 184986 - Cavity Plug | Call For Details | |
| - | 270821 - Hex Bolt | Add To Cart | |
| 18 | 181456 - 30 Fuse | Add To Cart | |
| - | 181451 - 7.5 Fuse | Add To Cart | |
| - | 181452 - 10 Fuse | Add To Cart | |
| - | 181453 - 15 Fuse | Add To Cart | |
| 19 | 605847 - Universal Harness w/WP | Add To Cart |