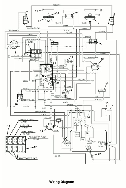
729BT6 Wiring & Lights  - 2010
Click On a Part Number Below for Details
NOTE: If the part number you select is not linked to the shopping cart,call toll-free 866-698-4070 for availability.
| Item # | Part Number - Description | Price | |
|---|---|---|---|
| 1 | 183806 - Key Switch B & S/Kohler | Add To Cart | |
| - | 101101 - Key Ignition w/Cover | Add To Cart | |
| - | 254498 - Nut | Add To Cart | |
| - | 422078 - Panel Plastic | Add To Cart | |
| 2 | 183326 - Brake Light Indicator | Call For Details | |
| 3 | 182327 - Oil Indicator Light | Add To Cart | |
| 4 | 184179 - Rocker Switch | Add To Cart | |
| 5 | 183925 - Switch Push/Pull | Add To Cart | |
| 6 | 183860 - Lever Switch | Add To Cart | |
| - | 720160 - Steering Switch Mount - right | Add To Cart | |
| 8 | 183860 - Lever Switch | Add To Cart | |
| - | 720161 - Steering Switch Mount - left | Add To Cart | |
| 8 | 183871 - Twist-in Seat Switch | Add To Cart | |
| 9 | 182253 - Flood Worklamp | Add To Cart | |
| 10 | 182005 - Worklamp Light Bulb | Add To Cart | |
| 11 | 182251 - Snap Mount Worklamp Bezel | Add To Cart | |
| 12 | 181735 - In-Line Auto Fuse Holder | Add To Cart | |
| - | 181470 - Auto ATC - 30 Fuse | Add To Cart | |
| 13 | 184271 - 12V DC Relay | Add To Cart | |
| - | 184570 - Type 1 6mm Push-On | Add To Cart | |
| - | 184581 - .250 Fast-On Terminal | Add To Cart | |
| - | 184926 - 5-Way Female Connector | Add To Cart | |
| 14 | 180313 - Battery Cable 14' Red | Add To Cart | |
| - | 425219 - Starter Terminal Boot | Add To Cart | |
| - | 425223 - Battery Terminal Boot | Add To Cart | |
| 15 | 180276 - Battery Cable 16' Black | Add To Cart | |
| 16 | 180130 - 12 Volt Sidepost Battery Wet | Call For Details | |
| - | 180131 - 12 Volt Sidepost Battery Dry | Call For Details | |
| 17 | 181722 - Fuse Block | Add To Cart | |
| - | 184458 - 1 Wire Fuse Clip | Add To Cart | |
| - | 184460 - 2 Wire Fuse Clip | Add To Cart | |
| - | 184472 - Double Fuse Clip | Add To Cart | |
| 18 | 181470 - 30 amp Auto ATC Fuse | Add To Cart | |
| - | 181462 - 10 amp Auto ATC Fuse | Add To Cart | |
| - | 181460 - 7.5 amp Auto ATC Fuse | Add To Cart | |
| 19 | 141551 - Snap In Hour Meter | Add To Cart | |
| 20 | 183894 - Brake Interlock Switch | Add To Cart | |
| 21 | 423690 - PC Board Support Spacer | Add To Cart | |
| 22 | 388840 - Pigtail Cable Assembly | Add To Cart | |
| 23 | 604988 - 729/729BT Wiring Assembly | Add To Cart | |
| 24 | 161128 - 700 AC Console Decal | Add To Cart |