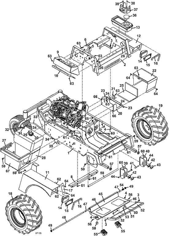
729T6 Tractor Assembly  - 2008
Click On a Part Number Below for Details
NOTE: If the part number you select is not linked to the shopping cart, call toll-free 866-698-4070 for availability.
| Item # | Part Number - Description | Price | |
|---|---|---|---|
| 1 | 644877 - 700T WC Lower Frame | Call For Details | |
| 2 | 644874 - 700T Upper Frame | Call For Details | |
| 3 | 253192 - Hex Flange Whiz Bolt | Add To Cart | |
| 4 | 253035 - Whiz Nut | Add To Cart | |
| 5 | 603833 - Throttle Assembly | Add To Cart | |
| - | 323660 - Throttle Cable Assembly | Add To Cart | |
| - | 722009 - Throttle Lever Stop | Add To Cart | |
| - | 722736 - Heavy Duty Throttle Stop | Add To Cart | |
| 6 | 422150 - Handle Grip | Add To Cart | |
| 7 | 902280 - Spacer | Add To Cart | |
| - | 243335 - Hex Bolt | Add To Cart | |
| - | 257040 - Washer | Add To Cart | |
| 8 | 725511 - 700T WC Center Crossmember | Call For Details | |
| 9 | 693105 - Console with Decal for Liquid-Cooled Gas Engine | Call For Details | |
| 10 | 721152 - Fill Panel for 96 Console | Add To Cart | |
| 11 | 693210 - 700/900 right Fender with Safety Decal | Add To Cart | |
| - | 163478 - right .06 729 Trim Decal | Call For Details | |
| 12 | 693211 - 700/900 left Fender with Safety Decal | Add To Cart | |
| - | 163479 - left .06 729 Trim Decal | Call For Details | |
| 13 | 422040 - Tool Box | Add To Cart | |
| 14 | 182253 - Flood Worklamp | Add To Cart | |
| 15 | 182251 - Snap Mount Worklamp Bezel | Add To Cart | |
| 16 | 822635 - 700/900 Fender Edge Trim | Add To Cart | |
| 17 | 722062 - right Fender Cover Panel | Add To Cart | |
| 18 | 483942 - right Wheel Bar Tread Tire, 22 x 11 x 10 | Add To Cart | |
| - | 483420 - 5 Bolt Wheel Only, 10 x 8.5 | Add To Cart | |
| - | 482483 - Bar Tread Tire Only, 22 x 11 x 10 | Add To Cart | |
| - | 483946 - Wheel Turf Tire, 22 x 10 x 10 | Add To Cart | |
| - | 482473 - Turf Tire Only, 22 x 10 x 10 | Add To Cart | |
| 19 | 483943 - left Wheel Bar Tread Tire, 22 x 11 x 10 | Add To Cart | |
| - | 483420 - 5 Bolt Wheel Only, 10 x 8.5 | Add To Cart | |
| - | 482483 - Bar Tread Tire Only, 22 x 11 x 10 | Add To Cart | |
| - | 483946 - Wheel Turf Tire, 22 x 10 x 10 | Add To Cart | |
| - | 482473 - Turf Tire Only, 22 x 10 x 10 | Add To Cart | |
| 20 | 644163 - Battery Box without Draw Latch | Add To Cart | |
| 21 | 754135 - Battery Hold Down Bracket | Add To Cart | |
| 22 | 644478 - Battery Box Lid w/o Lid | Add To Cart | |
| 23 | 257020 - Washer | Add To Cart | |
| 24 | 253440 - Nylon Insert Nut | Add To Cart | |
| 25 | 427278 - Battery Tray Pad | Add To Cart | |
| 26 | 424015 - Rubber Bumper | Add To Cart | |
| 27 | 644826 - 8 Gallon Fuel Tank Mounting Bracket | Add To Cart | |
| 28 | 604845 - 8 Gallon Gas Tank Assembly with .312 Barb Fitting | Add To Cart | |
| 29 | 141144 - In-Tank Fuel Gauge | Add To Cart | |
| - | 424275 - Grommet | Add To Cart | |
| 30 | 100210 - Fuel Cap | Add To Cart | |
| 31 | 101875 - Fuel Tube Bushing | Add To Cart | |
| 32 | 363930 - Fuel Tube | Add To Cart | |
| 33 | 821718 - 428D Fuel Line Hose | Add To Cart | |
| 34 | 280261 - Spring Hose Clamp | Add To Cart | |
| 35 | 101005 - Kubota Fuel Prefilter | Call For Details | |
| 36 | 422066 - Cup Hole Plug | Add To Cart | |
| 37 | 150225 - Cup Holder | Add To Cart | |
| 38 | 259030 - Cap Screw | Add To Cart | |
| - | 254436 - Nut | Add To Cart | |
| 39 | 643092 - 700/900 right Quick Disconnect Deck Mount | Add To Cart | |
| 40 | 643093 - 700/900 left Quick Disconnect Deck Mount | Add To Cart | |
| 41 | 247280 - Special Carriage Bolt | Add To Cart | |
| 42 | 282575 - Deck Mount Bushing | Add To Cart | |
| 43 | 282576 - Floating Deck Mount Bushing | Add To Cart | |
| 44 | 253460 - Nylon Insert Nut | Add To Cart | |
| 45 | 604346 - Adjustable Foot Platform Assembly - 700/900 | Add To Cart | |
| 46 | 420905 - Foot Rest Tread | Add To Cart | |
| 47 | 422615 - Nylon Bearing | Add To Cart | |
| 48 | 780673 - Foot Platform Pivot Rod - 700 | Call For Details | |
| 49 | 253470 - Nylon Insert Nut | Add To Cart | |
| 50 | 424052 - Rubber Bumper | Add To Cart | |
| 51 | 603301 - Foot Platform Extension - 700 | Add To Cart | |
| 52 | 420904 - Foot Rest Extension Tread | Add To Cart | |
| 53 | 247130 - Carriage Bolt | Add To Cart | |
| 54 | 283312 - Compression Spring | Add To Cart | |
| 55 | 424100 - Footrest Isolator Block | Add To Cart | |
| 56 | 243026 - Hex Bolt | Add To Cart | |
| 57 | 422065 - Square Plastic Plug | Add To Cart | |
| 58 | 780900 - Tension Rod | Call For Details | |
| 59 | 253200 - Whiz Bolt | Add To Cart | |
| 60 | 253203 - Flange Whiz Bolt | Add To Cart | |
| 61 | 253043 - Whiz Nut | Add To Cart | |
| 62 | 254431 - Speed Nut | Add To Cart | |
| 63 | 253173 - Hex Whiz Bolt | Add To Cart | |
| 64 | 253175 - Hex Whiz Bolt | Add To Cart | |
| 65 | 253025 - Whiz Nut | Add To Cart | |
| 66 | 253176 - Truss Whiz Bolt | Add To Cart | |
| 67 | 723339 - 8 Gallon Tank Shield | Add To Cart | |
| 68 | 605340 - 729T6 Decal Set | Add To Cart |