735BT6 Universal Harness - Limited  - 2011
Click On a Part Number Below for Details
NOTE: If the part number you select is not linked to the shopping cart,call toll-free 866-698-4070 for availability.
| Item # | Part Number - Description | Price | |
|---|---|---|---|
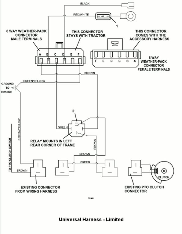
| 1 | 181475 - Auto ATC Fuse, 40 amp | Add To Cart | |
| 2 | 184271 - 12VDC Relay with Mount | Add To Cart | |
| - | 184570 - Type 1 6mm Push-On | Add To Cart | |
| - | 184581 - .250 Fast-On Terminal | Add To Cart | |
| - | 184926 - 5-Way Female Connector | Add To Cart | |
| 3 | 605847 - Universal Harness w/WP | Add To Cart |