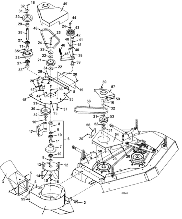
8F / 12F Vacuum & Drive Assembly for M1 48 - 2004 and Older
Click On a Part Number Below for Details
NOTE: If the part number you select is not linked to the shopping cart,call toll-free 866-698-4070 for availability.
| Item # | Part Number - Description | Price | |
|---|---|---|---|
| 1 | 644339 - 33 Series Blower Housing | Add To Cart | |
| 2 | 252821 - 3 Prong Head Deck Stud | Add To Cart | |
| 3 | 833510 - Hose Adapter Tube | Add To Cart | |
| 4 | 253177 - Truss Whiz Bolt | Add To Cart | |
| 5 | 253025 - Whiz Nut | Add To Cart | |
| 6 | 604795 - Vacuum Fan Spindle Assembly | Add To Cart | |
| 7 | 320522 - Vacuum Fan Spindle Housing | Add To Cart | |
| 8 | 604765 - Vacuum Spindle Shaft | Add To Cart | |
| 9 | 257106 - Washer | Add To Cart | |
| 10 | 110080 - 25mm 2 Metal Seal Ball Bearing | Add To Cart | |
| 11 | 903650 - Drive Bearing Spacer | Add To Cart | |
| 12 | 824533 - 25mm Vacuum Fan | Add To Cart | |
| 13 | 281583 - Square Key | Add To Cart | |
| 14 | 774020 - Washer | Add To Cart | |
| 15 | 257412 - Lock Washer | Add To Cart | |
| 16 | 243331 - Hex Bolt | Add To Cart | |
| 17 | 644783 - Drive Belt Shield W/A | Add To Cart | |
| 18 | 643853 - M1 Vacuum Blower Top | Call For Details | |
| 19 | 722637 - M148 Vacuum Belt Guard | Call For Details | |
| 20 | 253175 - Hex Whiz Bolt | Add To Cart | |
| 21 | 415845 - Sheave | Add To Cart | |
| 22 | 421200 - Fiber Washer | Add To Cart | |
| 23 | 257061 - Washer | Add To Cart | |
| 24 | 257432 - Lock Washer | Add To Cart | |
| 25 | 243581 - Hex Bolt | Add To Cart | |
| 26 | 320525 - Spindle Housing | Call For Details | |
| 27 | 110081 - 25mm 2 Reg Seal Ball Bearing | Add To Cart | |
| 28 | 882093 - M1 Vacuum Shaft | Add To Cart | |
| 29 | 902648 - Vacuum Spindle Spacer | Add To Cart | |
| 30 | 414696 - Sheave | Add To Cart | |
| 31 | 281580 - Square Key | Add To Cart | |
| 32 | 257041 - Cupped Washer | Add To Cart | |
| 33 | 902645 - Lower Vacuum Spindle Spacer | Call For Details | |
| 34 | 253193 - Hex Flange Whiz Bolt | Add To Cart | |
| 35 | 253035 - Whiz Nut | Add To Cart | |
| 36 | 253191 - Hex Flange Whiz Bolt | Add To Cart | |
| 37 | 243365 - Hex Bolt | Add To Cart | |
| 38 | 824537 - M1 Vacuum Idler Arm | Add To Cart | |
| 39 | 121650 - Pedestal Bearing | Add To Cart | |
| 40 | 257062 - Washer | Add To Cart | |
| 41 | 254450 - Nut | Add To Cart | |
| 42 | 422098 - Vinyl Cap | Add To Cart | |
| 43 | 393200 - Idler | Add To Cart | |
| 44 | 243565 - Hex Bolt | Add To Cart | |
| 45 | 422520 - Nylon Bearing | Add To Cart | |
| 46 | 283820 - Extension Spring with Swivel | Add To Cart | |
| 47 | 730391 - J Bolt Idler Adjustment | Add To Cart | |
| 48 | 382750 - Upper Vacuum Belt | Add To Cart | |
| 49 | 644795 - 33S Vacuum Belt Shield | Add To Cart | |
| 50 | 604770 - 25MM Spindle Shaft Assembly | Add To Cart | |
| 51 | 282630 - Spacer | Add To Cart | |
| 52 | 257104 - Washer | Add To Cart | |
| 53 | 414685 - Sheave | Add To Cart | |
| 54 | 644764 - M148 Vacuum Belt Shield Mount | Call For Details | |
| 55 | 253176 - Truss Whiz Bolt | Add To Cart | |
| 56 | 382733 - Lower Vacuum Drive Belt | Add To Cart | |
| 57 | 644796 - M148 Vacuum Drive Shield | Call For Details | |
| 58 | 754148 - Deck Stop for M148 with Blower | Call For Details | |
| 59 | 254443 - Nut | Add To Cart |