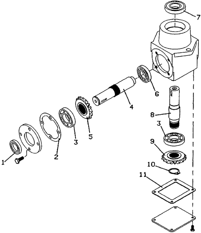
9048 9052 9061 Right Angle Gearbox Assembly - 1991
Click On a Part Number Below for Details
NOTE: If the part number you select is not linked to the shopping cart, call toll-free 866-698-4070 for availability.
Item # | Part Number - Description | Price | |
---|---|---|---|
1 | 125336 - Seal | Add To Cart | |
2 | 420201 - Gearbox Cap Gasket | Add To Cart | |
3 | 120071 - Ball Bearing | Add To Cart | |
4 | 393517 - 1.000 Shaft | Add To Cart | |
5 | 392501 - .995 8 Pitch Bevel Gear | Add To Cart | |
6 | 120065 - Ball Bearing | Add To Cart | |
7 | 120070 - Double Seal Ball Bearing | Add To Cart | |
8 | 393513 - .875 Shaft | Add To Cart | |
9 | 392500 - .865 8 Pitch Bevel Gear | Add To Cart | |
10 | 263540 - External Retainer | Add To Cart | |
11 | 420200 - Gearbox Cover Gasket | Add To Cart | |
12 | 390024 - Right Angle Counterclockwise Gearbox | Add To Cart |