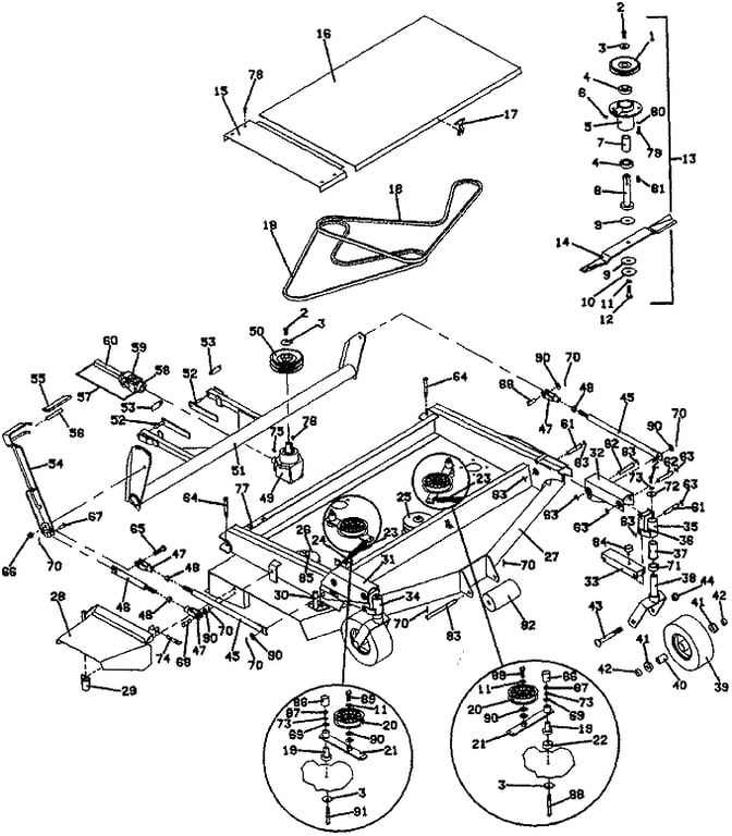
9061 Deck Mower Assembly - 1991
Click On a Part Number Below for Details
NOTE: If the part number you select is not linked to the shopping cart, call toll-free 866-698-4070 for availability.
Item # | Part Number - Description | Price | |
---|---|---|---|
1 | 415865 - Sheave | Add To Cart | |
2 | 243331 - Hex Bolt | Add To Cart | |
3 | 257041 - Cupped Washer | Add To Cart | |
4 | 120081 - Ball Bearing without Fluid Seal | Add To Cart | |
5 | 320526 - Grease Spindle Housing | Add To Cart | |
6 | 280734 - Zerk Grease Fitting | Add To Cart | |
7 | 903640 - Bearing Tube Spacer | Add To Cart | |
8 | 603775 - Blade STD Spindle Shaft | Add To Cart | |
9 | 421200 - Fiber Washer | Add To Cart | |
10 | 257061 - Washer | Add To Cart | |
11 | 257432 - Lock Washer | Add To Cart | |
12 | 243581 - Grade 5 Hex Bolt | Add To Cart | |
13 | 623785 - Blade Spindle Assembly | Add To Cart | |
14 | 320245 - 21 inch High Lift Notch Blade | Call For Details | |
- | 320242 - 21 inch Medium Lift Blade | Call For Details | |
- | 320244 - 21 inch Contour Blade | Call For Details | |
- | 320246 - 21 inch Extreme High Lift Blade | Call For Details | |
15 | 722322 - 9661 right Belt Shield | Add To Cart | |
16 | 603782 - 9061 Shield Assembly | Add To Cart | |
17 | 281301 - Rubber Draw Latch | Add To Cart | |
18 | 382049 - Belt | Add To Cart | |
19 | 121650 - Pedestal Bearing | Add To Cart | |
20 | 393225 - Idler | Add To Cart | |
21 | 824502 - Idler Arm with Pedestal Bearing | Add To Cart | |
22 | 902317 - Idler Arm Spacer | Add To Cart | |
23 | 283820 - Extension Spring with Swivel | Add To Cart | |
24 | 730391 - Idler Adjustment J Bolt | Add To Cart | |
25 | 831525 - Sheave | Add To Cart | |
26 | 415866 - Sheave | Add To Cart | |
27 | 643275 - 9061 Deck Weldment | Call For Details | |
28 | 643747 - 90 Series Discharge Shield | Add To Cart | |
29 | 643632 - Vac Housing Pivot Mount | Add To Cart | |
30 | 643235 - Clevis Shaft | Add To Cart | |
31 | 643500 - Upper Right Lift Channel | Add To Cart | |
32 | 643501 - Upper Left Lift Channel | Add To Cart | |
33 | 822312 - Deck Stabilizer with Bumper | Add To Cart | |
34 | 603351 - Right Fork Mount with Bearing | Add To Cart | |
35 | 603352 - Left Fork Mount with Bearing | Add To Cart | |
36 | 280777 - Zerk Grease Fitting | Add To Cart | |
37 | 833260 - Flanged Sintered Bushing | Add To Cart | |
38 | 604350 - 90 Series Deck Fork | Add To Cart | |
39 | 603971 - 9 x 3.5 x 6 Semi-Pneumatic Wheel Assembly | Add To Cart | |
40 | 902473 - Deck Wheel Bearing Spacer | Add To Cart | |
41 | 120050 - Ball Bearing | Add To Cart | |
42 | 902415 - Axle Spacer | Add To Cart | |
43 | 247715 - Carriage Bolt | Add To Cart | |
44 | 253970 - Lock Nut | Add To Cart | |
45 | 603568 - 61 Deck Linkage Arm | Add To Cart | |
46 | 603562 - Lift Lever Linkage | Add To Cart | |
47 | 265554 - Clevis Yoke | Add To Cart | |
48 | 254475 - Nut | Add To Cart | |
49 | 390024 - Counter Clockwise Right Angle Gearbox | Add To Cart | |
50 | 416116 - Sheave | Add To Cart | |
51 | 643502 - 9061 Mower Lift Arm | Call For Details | |
52 | 643625 - Attaching Pin | Add To Cart | |
53 | 261848 - Safety Pin | Add To Cart | |
54 | 643529 - Deck Lift Lever | Add To Cart | |
55 | 422155 - Handle Grip | Add To Cart | |
56 | 422158 - Handle Grip | Add To Cart | |
57 | 398525 - UN Half Shaft | Add To Cart | |
58 | 401010 - Yoke | Add To Cart | |
59 | 121010 - Cross Bearing | Add To Cart | |
60 | 402605 - Yoke Shaft | Add To Cart | |
61 | 243609 - Hex Bolt | Add To Cart | |
62 | 243614 - Hex Bolt | Add To Cart | |
63 | 263500 - External Retainer | Add To Cart | |
64 | 243375 - Hex Bolt | Add To Cart | |
65 | 243580 - Hex Bolt | Add To Cart | |
66 | 253930 - Lock Nut | Add To Cart | |
67 | 261346 - Clevis Pin | Add To Cart | |
68 | 261426 - Clevis Pin | Add To Cart | |
69 | 257040 - Washer | Add To Cart | |
70 | 260652 - Cotter Pin | Add To Cart | |
71 | 282630 - Spacer | Add To Cart | |
72 | 774020 - Washer | Add To Cart | |
73 | 257412 - Lock Washer | Add To Cart | |
74 | 260400 - Hitch Pin | Add To Cart | |
75 | 281833 - Woodruff Key | Add To Cart | |
76 | 281828 - Woodruff Key | Add To Cart | |
77 | 254431 - Speed Nut | Add To Cart | |
78 | 253175 - Hex Whiz Bolt | Add To Cart | |
79 | 243195 - Hex Bolt | Add To Cart | |
80 | 257402 - Lock Washer | Add To Cart | |
81 | 281586 - Square Key | Add To Cart | |
82 | 426136 - Roller Assembly | Add To Cart | |
83 | 780606 - Roller Pin | Add To Cart | |
84 | 424052 - Rubber Bumper | Add To Cart | |
85 | 282630 - Spacer | Add To Cart | |
86 | 422097 - 1 inch i.d. Vinyl Cap | Add To Cart | |
87 | 254450 - Nut | Add To Cart | |
88 | 243385 - Hex Bolt | Add To Cart | |
89 | 243565 - Hex Bolt | Add To Cart | |
90 | 257062 - Washer | Add To Cart | |
91 | 243365 - Hex Bolt | Add To Cart | |
92 | 603280 - Mower Safety Decal Set | Add To Cart |