928D Wiring  - 1995
Click On a Part Number Below for Details
NOTE: If the part number you select is not linked to the shopping cart, call toll-free 866-698-4070 for availability.
| Item # | Part Number - Description | Price | |
|---|---|---|---|
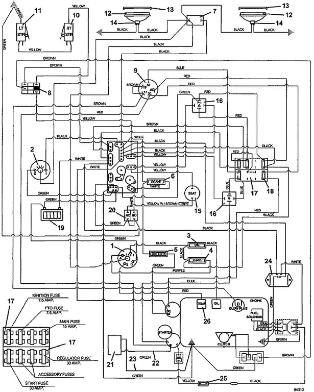
| 1 | 141160 - Zoned Electric Temperature Gauge | Add To Cart | |
| - | 141210 - Gauge Light | Add To Cart | |
| 2 | 141200 - Volt Meter Gauge | Add To Cart | |
| - | 141210 - Gauge Light | Add To Cart | |
| 3 | 182327 - Oil Indicator Light | Add To Cart | |
| 4 | 182328 - Temperature Indicator Light | Add To Cart | |
| 5 | 183954 - Momentary Toggle | Add To Cart | |
| 6 | 182326 - Brake Indicator Light | Add To Cart | |
| 7 | 184179 - Rocker Switch | Add To Cart | |
| 8 | 183925 - Push/Pull Switch | Add To Cart | |
| 9 | 183827 - Kubota Sealed Key Switch | Add To Cart | |
| - | 425205 - Kubota Ignition Switch Boot | Add To Cart | |
| 10 | 183860 - Lever Switch | Add To Cart | |
| - | 720160 - right Steering Switch Mount | Add To Cart | |
| 11 | 183860 - Lever Switch | Add To Cart | |
| - | 720161 - left Steering Switch Mount | Add To Cart | |
| 12 | 182250 - Halogen Flood Work Lamp with Pigtail | Add To Cart | |
| 13 | 182251 - Work Lamp Snap Mount Bezel | Add To Cart | |
| 14 | 182252 - Work Lamp Wire Harness | Call For Details | |
| 15 | 183870 - Seat Switch | Add To Cart | |
| 16 | 184272 - 12volt DC Relay | Add To Cart | |
| - | 184570 - Type 1 6mm Push-On | Add To Cart | |
| - | 184581 - .250 Fast-On Terminal | Add To Cart | |
| - | 184926 - 5-Way Female Connector | Add To Cart | |
| 17 | 181722 - Fuse Block | Add To Cart | |
| - | 184458 - 1 Wire Fuse Clip | Add To Cart | |
| - | 184460 - 2 Wire Fuse Clip | Add To Cart | |
| - | 184472 - Double Fuse Clip | Add To Cart | |
| 18 | 181470 - 30 amp Auto ATC Fuse | Add To Cart | |
| - | 181465 - 15 amp Auto ATC Fuse | Add To Cart | |
| - | 181460 - 7.5 amp Auto ATC Fuse | Add To Cart | |
| 19 | 141551 - snap in Hour Meter | Add To Cart | |
| 20 | 183894 - Brake Interlock Switch | Add To Cart | |
| 21 | 180130 - 12 Volt Side post Battery | Call For Details | |
| 22 | 180313 - 14 inch Red Battery Cable | Add To Cart | |
| - | 425223 - Battery Boot | Add To Cart | |
| - | 425219 - Battery Terminal Boot | Add To Cart | |
| - | 425215 - Red Alternator Terminal Boot | Add To Cart | |
| 23 | 180282 - 20 inch Black Battery Cable | Add To Cart | |
| 24 | 184220 - Interlock Module Switch | Add To Cart | |
| 25 | 181735 - Inline Auto Fuse Holder | Add To Cart | |
| - | 181470 - 30 amp Auto ATC Fuse | Add To Cart | |
| 26 | 141222 - Temperature Sender | Add To Cart | |
| 27 | 604968 - 928 Console Wiring Assembly | Call For Details | |
| 28 | 161131 - Console Decal for 700 Water Cooled models | Add To Cart |