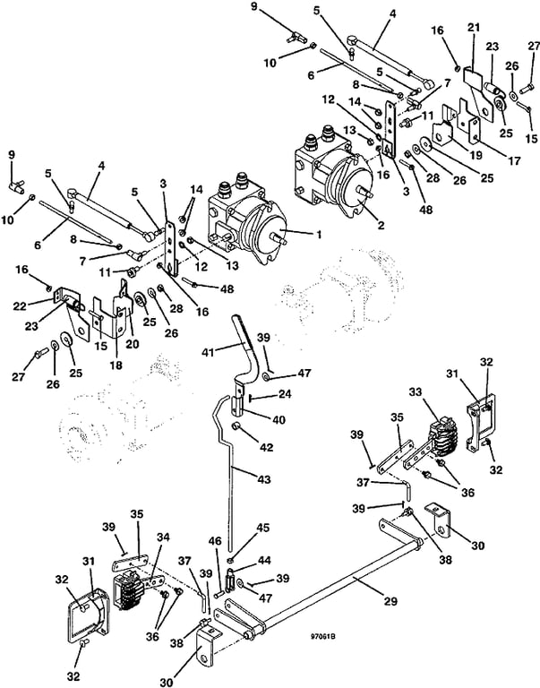
928D2 Drive Linkage Assembly  - 1999
Click On a Part Number Below for Details
NOTE: If the part number you select is not linked to the shopping cart,call toll-free 866-698-4070 for availability.
| Item # | Part Number - Description | Price | |
|---|---|---|---|
| 1 | 391452 - left HYDRO PUMP | Add To Cart | |
| 2 | 391453 - right HYDRO PUMP | Add To Cart | |
| 3 | 725338 - right PUMP CONTROL ARM | Add To Cart | |
| 4 | 285031 - DAMPER | Add To Cart | |
| 5 | 265680 - BALL STUD | Add To Cart | |
| 6 | 780164 - STEERING LINKAGE PUMP ROD | Add To Cart | |
| 7 | 265616 - lefthand thread BALL JOINT | Add To Cart | |
| 8 | 254444 - NUT | Add To Cart | |
| 9 | 265615 - righthand thread BALL JOINT | Add To Cart | |
| 10 | 254441 - NUT | Add To Cart | |
| 11 | 603726 - ECCENTRIC ROLLER ASSEMBLY | Add To Cart | |
| 12 | 257410 - STAR EXTERNAL WASHER | Add To Cart | |
| 13 | 254450 - NUT | Add To Cart | |
| 14 | 253038 - WHIZ NUT | Add To Cart | |
| 15 | 243035 - HEX BOLT | Add To Cart | |
| 16 | 253025 - WHIZ NUT | Add To Cart | |
| 17 | 729225 - right NEUTRAL RETURN MOUNT | Add To Cart | |
| 18 | 729226 - left NEUTRAL RETURN MOUNT | Call For Details | |
| 19 | 729138 - right NEUTRAL RETURN ARM | Add To Cart | |
| 20 | 729139 - left NEUTRAL RETURN ARM | Add To Cart | |
| 21 | 729136 - right front NEUTRAL RETURN ARM | Add To Cart | |
| 22 | 729137 - left front NEUTRAL RETURN ARM | Add To Cart | |
| 23 | 283823 - EXTENSION SPRING | Add To Cart | |
| 24 | 260648 - COTTER PIN | Add To Cart | |
| 25 | 822304 - NEUTRAL RETURN PIVOT BEARING | Add To Cart | |
| 26 | 257040 - WASHER | Add To Cart | |
| 27 | 243335 - HEX BOLT | Add To Cart | |
| 28 | 253890 - LOCK NUT | Add To Cart | |
| 29 | 644521 - 900D G2 LINKAGE ROD | Add To Cart | |
| 30 | 732610 - BRAKE PIVOT MOUNT BRACKET | Add To Cart | |
| 31 | 644121 - M1/G2 CALIPER MOUNT | Add To Cart | |
| 32 | 247130 - CARRIAGE BOLT | Add To Cart | |
| 33 | 481100 - clockwise BRAKE ASSEMBLY CALIPER | Add To Cart | |
| - | 603150 - BRAKE PAD KIT | Add To Cart | |
| 34 | 481101 - counter-clockwise BRAKE ASSEMBLY CALIPER | Add To Cart | |
| - | 603150 - BRAKE PAD KIT | Add To Cart | |
| 35 | 782874 - BRAKE ROTOR LINKAGE | Add To Cart | |
| 36 | 253189 - WHIZ BOLT | Add To Cart | |
| 37 | 730155 - 928 BRAKE LINKAGE ROD | Add To Cart | |
| 38 | 880924 - BRAKE LINKAGE PIN | Add To Cart | |
| 39 | 260624 - COTTER PIN | Add To Cart | |
| 40 | 754045 - SPLIT DRIVE BRAKE LEVER | Call For Details | |
| 41 | 422150 - HANDLE GRIP | Add To Cart | |
| 42 | 423705 - BRAKE LEVER SPACER | Add To Cart | |
| 43 | 730361 - 700 BRAKE LINKAGE ROD | Add To Cart | |
| 44 | 265537 - CLEVIS YOKE | Add To Cart | |
| 45 | 254441 - NUT | Add To Cart | |
| 46 | 261284 - CLEVIS PIN | Add To Cart | |
| 47 | 257030 - WASHER | Add To Cart | |
| 48 | 253182 - HEX WHIZ BOLT | Add To Cart |