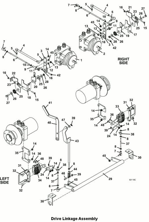
928D2 Drive Linkage Assembly  - 2008
Click On a Part Number Below for Details
NOTE: If the part number you select is not linked to the shopping cart,call toll-free 866-698-4070 for availability.
| Item # | Part Number - Description | Price | |
|---|---|---|---|
| 1 | 391452 - left HYDRO PUMP | Add To Cart | |
| 2 | 391453 - right HYDRO PUMP | Add To Cart | |
| 3 | 725338 - right PUMP CONTROL ARM | Add To Cart | |
| 4 | 285031 - DAMPER | Add To Cart | |
| 5 | 265680 - BALL STUD | Add To Cart | |
| 6 | 780164 - PUMP STEERING LINKAGE ROD | Add To Cart | |
| 7 | 265615 - righthand thread BALL JOINT | Add To Cart | |
| 8 | 254441 - NUT | Add To Cart | |
| 9 | 265616 - lefthand thread BALL JOINT | Add To Cart | |
| 10 | 254444 - NUT | Add To Cart | |
| 11 | 603726 - ECCENTRIC ROLLER ASSEMBLY | Add To Cart | |
| 12 | 257410 - STAR EXTERNAL WASHER | Add To Cart | |
| 13 | 254450 - NUT | Add To Cart | |
| 14 | 253035 - WHIZ NUT | Add To Cart | |
| 15 | 243035 - HEX BOLT | Add To Cart | |
| 16 | 253025 - WHIZ NUT | Add To Cart | |
| 17 | 729225 - right NEUTRAL RETURN MOUNT | Add To Cart | |
| 18 | 729226 - left NEUTRAL RETURN MOUNT | Call For Details | |
| 19 | 729138 - right NEUTRAL RETURN ARM | Add To Cart | |
| 20 | 729139 - left NEUTRAL RETURN ARM | Add To Cart | |
| 21 | 729136 - right front NEUTRAL RETURN ARM | Add To Cart | |
| 22 | 729137 - left front NEUTRAL RETURN ARM | Add To Cart | |
| 23 | 283823 - EXTENSION SPRING | Add To Cart | |
| 24 | 782852 - 900 SERIES STRAP BRAKE | Add To Cart | |
| 25 | 822304 - NEUTRAL RETURN PIVOT BEARING | Add To Cart | |
| 26 | 257040 - WASHER | Add To Cart | |
| 27 | 243335 - HEX BOLT | Add To Cart | |
| 28 | 253890 - LOCK NUT | Add To Cart | |
| 29 | 644539 - LINKAGE ROD | Add To Cart | |
| 30 | 732616 - 1.281 BRAKE PIVOT MOUNT | Add To Cart | |
| 31 | 644121 - M1/G2 CALIPER MOUNT | Add To Cart | |
| 32 | 247130 - CARRIAGE BOLT | Add To Cart | |
| 33 | 481102 - clockwise BRAKE CALIPER ASSEMBLY | Add To Cart | |
| - | 603150 - BRAKE PAD KIT | Add To Cart | |
| 34 | 481103 - counter-clockwise BRAKE CALIPER ASSEMBLY | Add To Cart | |
| - | 603150 - BRAKE PAD KIT | Add To Cart | |
| 35 | 776174 - 7.75 BRAKE ROTOR MOUNT | Add To Cart | |
| 36 | 243195 - HEX BOLT | Add To Cart | |
| 37 | 780158 - BRAKE LINKAGE ROD | Add To Cart | |
| 38 | 880926 - .312 BRAKE LINKAGE PIN | Add To Cart | |
| 39 | 260606 - COTTER RING | Add To Cart | |
| 40 | 644035 - 700/900 BRAKE LEVER | Call For Details | |
| 41 | 422150 - HANDLE GRIP | Add To Cart | |
| 42 | 253182 - HEX WHIZ BOLT | Add To Cart | |
| 43 | 644036 - BRAKE LINKAGE ARM | Add To Cart | |
| 44 | 265537 - CLEVIS YOKE | Add To Cart | |
| 45 | 253038 - WHIZ NUT | Add To Cart | |
| 46 | 261284 - CLEVIS PIN | Add To Cart | |
| 47 | 257030 - WASHER | Add To Cart | |
| 48 | 253190 - TRUSS WHIZ BOLT | Add To Cart |