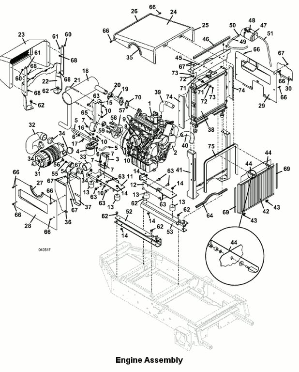
928D2 Engine Assembly  - 2008
Click On a Part Number Below for Details
NOTE: If the part number you select is not linked to the shopping cart,call toll-free 866-698-4070 for availability.
| Item # | Part Number - Description | Price | |
|---|---|---|---|
| 1 | 100181 - KUBOTA DIESEL ENGINE | Call For Details | |
| 2 | 100805 - KUBOTA OIL FILTER | Add To Cart | |
| 3 | 644220 - 400/900 FUEL FILTER MOUNT | Add To Cart | |
| 4 | 101004 - KUBOTA FUEL FILTER | Add To Cart | |
| 5 | 821716 - 928D FUEL LINE HOSE | Add To Cart | |
| 6 | 280261 - SPRING TYPE HOSE CLAMP | Add To Cart | |
| 7 | 253192 - HEX FLANGE WHIZ BOLT | Add To Cart | |
| 8 | 723063 - 928 LINKAGE EXTENSION | Add To Cart | |
| 9 | 243185 - HEX BOLT | Call For Details | |
| 10 | 253035 - WHIZ NUT | Add To Cart | |
| 11 | 643028 - 400/900 right ENGINE MOUNT | Add To Cart | |
| 12 | 643029 - 400/900 left ENGINE MOUNT | Add To Cart | |
| 13 | 424078 - VIBRATION ISOLATOR | Add To Cart | |
| 14 | 253043 - WHIZ NUT | Add To Cart | |
| 15 | 729348 - MUFFLER MOUNT | Add To Cart | |
| - | 644614 - 428D/928D MUFFLER MOUNT with BRACKET | Call For Details | |
| 16 | 724573 - THROTTLE CABLE MOUNT | Call For Details | |
| 17 | 180635 - CONDUIT CLIP | Call For Details | |
| 18 | 101232 - KUBOTA MUFFLER | Call For Details | |
| - | 101229 - 400/900 SERIES MUFFLER | Add To Cart | |
| - | 101356 - EXHAUST CLAMP | Add To Cart | |
| - | 101384 - 900 SERIES EXHAUST PIPE | Add To Cart | |
| 19 | 644237 - EXHAUST FLANGE | Add To Cart | |
| 20 | 101356 - EXHAUST CLAMP | Add To Cart | |
| 21 | 321250 - U-BOLT | Add To Cart | |
| - | 321245 - U-BOLT | Call For Details | |
| 22 | 644849 - 928D/930D HOOD SUPPORT | Call For Details | |
| 23 | 645303 - 928D HOOD | Call For Details | |
| 24 | 644294 - UPPER HOOD | Add To Cart | |
| 25 | 822639 - FRONT HOOD TRIM | Add To Cart | |
| 26 | 822637 - REAR HOOD TRIM | Add To Cart | |
| 27 | 822510 - AIR CLEANER TRIM SEAL | Add To Cart | |
| 28 | 722758 - 928D RIGHT HOOD SIDE | Call For Details | |
| 29 | 644336 - LEFT HOOD SIDE | Add To Cart | |
| 30 | 722722 - OIL FILTER COVER | Add To Cart | |
| 31 | 100207 - NELSON 90 DEGREE AIR CLEANER | Call For Details | |
| - | 100197 - AIR CLEANER COVER CLIP | Add To Cart | |
| - | 100199 - AIR CLEANER COVER | Add To Cart | |
| - | 100202 - DUST EJECTOR | Call For Details | |
| - | 100203 - KOHLER RAIN CAP | Call For Details | |
| - | 100936 - OUTER HD AIR FILTER | Add To Cart | |
| - | 100937 - INNER HD AIR FILTER | Call For Details | |
| 32 | 424521 - AIR INTAKE HOSE | Call For Details | |
| 33 | 424523 - BREATHER INLET HOSE | Call For Details | |
| 34 | 280305 - SCREW TYPE HOSE CLAMP | Add To Cart | |
| 35 | 822515 - AIR CLEANER TRIM SEAL 11.0 | Add To Cart | |
| 36 | 644069 - AIR INTAKE BOX MOUNT | Call For Details | |
| 37 | 644062 - AIR INTAKE BOX | Call For Details | |
| 38 | 101616 - KUBOTA RADIATOR ALUM | Call For Details | |
| 39 | 101060 - UPPER ALUM RADIATOR HOSE | Add To Cart | |
| 40 | 101061 - LOWER ALUM RADIATOR HOSE | Add To Cart | |
| 41 | 644656 - LOWER RADIATOR MOUNT | Add To Cart | |
| 42 | 644670 - 400D/900D GRILLE with GUARD | Add To Cart | |
| 43 | 422090 - REAR BELT ISOLATOR SHIELD | Add To Cart | |
| 44 | 604805 - SWELL LATCH ASSY | Add To Cart | |
| 45 | 644652 - UPPER RADIATOR MOUNT | Call For Details | |
| 46 | 822512 - 19.5 UPPER RADIATOR TRIM SEAL | Add To Cart | |
| 47 | 422012 - EXPANSION TANK | Add To Cart | |
| 48 | 423154 - TIE | Add To Cart | |
| 49 | 821749 - HOSE | Add To Cart | |
| 50 | 280260 - SPRING HOSE CLAMP | Add To Cart | |
| 51 | 821748 - CLEAR VENT HOSE | Add To Cart | |
| 52 | 725300 - right ENGINE MOUNT RAIL | Call For Details | |
| 53 | 725301 - left ENGINE MOUNT RAIL | Call For Details | |
| 54 | 141012 - FILTER MINDER GAUGE with MOUNT | Add To Cart | |
| 55 | 363815 - O-RING FILTER FITTING | Call For Details | |
| 56 | 363828 - STREET ELL FITTING | Call For Details | |
| 57 | 824641 - CLUTCH STUB SHAFT | Add To Cart | |
| 58 | 270085 - M10 SOCKET HEAD SCREW | Add To Cart | |
| 59 | 902586 - SPACER | Add To Cart | |
| 60 | 902297 - .25 THK SPACER | Add To Cart | |
| 61 | 253440 - NYLON INSERT NUT | Add To Cart | |
| 62 | 253203 - FLANGE WHIZ BOLT | Add To Cart | |
| 63 | 271121 - HEX BOLT | Add To Cart | |
| 64 | 822506 - 400/900 LOWER RADIATOR SEAL | Add To Cart | |
| 65 | 243205 - HEX BOLT | Add To Cart | |
| 66 | 253175 - HEX WHIZ BOLT | Add To Cart | |
| 67 | 253173 - HEX WHIZ BOLT | Add To Cart | |
| 68 | 253025 - WHIZ NUT | Add To Cart | |
| 69 | 822636 - RADIATOR GRILLE TRIM | Add To Cart | |
| 70 | KU1421 - EXHAUST FLANGE GASKET | Call For Details | |
| 71 | 257020 - WASHER | Add To Cart | |
| 72 | 424033 - RUBBER BUMPER | Add To Cart | |
| 73 | 270065 - SOCKET HEAD SCREW M6 | Call For Details | |
| 74 | 721197 - SIDE SHIELD | Call For Details | |
| 75 | 822522 - RADIATOR TRIM SEAL | Add To Cart |