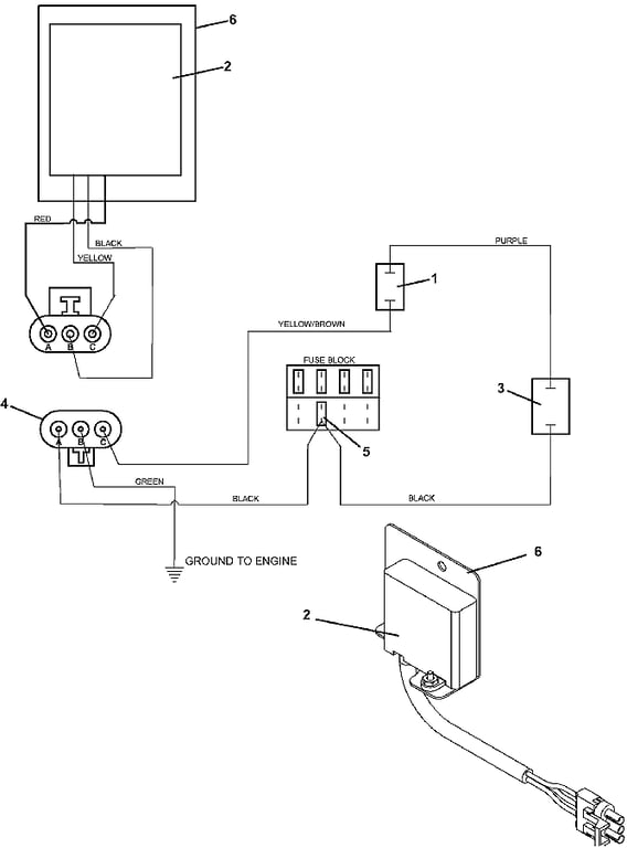
928D2 Hydraulic Lift Wiring  - 2005
Click On a Part Number Below for Details
NOTE: If the part number you select is not linked to the shopping cart,call toll-free 866-698-4070 for availability.
| Item # | Part Number - Description | Price | |
|---|---|---|---|
| 1 | 144950 - HYDRAULIC SOLENOID VALVE | Add To Cart | |
| 2 | 183710 - TILT SWITCH POWER COMPONENTS | Add To Cart | |
| 3 | 183940 - SEALED DOME SWITCH | Add To Cart | |
| - | 183954 - MOMENTARY TOGGLE | Add To Cart | |
| 4 | 184973 - 3-WAY MALE WP CONNECTOR | Call For Details | |
| 5 | 181460 - 7.50 AUTO ATC FUSE | Add To Cart | |
| 6 | 722747 - TILT SWITCH MOUNT | Call For Details |