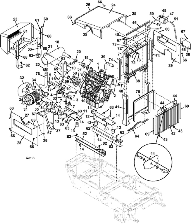
930D2 Engine Assembly  - 2009
Click on diagram to view super-sized image.
Click On a Part Number Below for Details
NOTE: If the part number you select is not linked to the shopping cart,call toll-free 866-698-4070 for availability.
| Item # | Part Number - Description | Price | |
|---|---|---|---|
| 1 | 100182 - Kubota Diesel Engine | Call For Details | |
| 2 | 100805 - Kubota Oil Filter | Add To Cart | |
| 3 | 644220 - 400/900 Fuel Filter Mount | Add To Cart | |
| 4 | 101004 - Kubota Fuel Filter | Add To Cart | |
| 5 | 821716 - 928D Fuel Line Hose | Add To Cart | |
| 6 | 280261 - Spring Hose Clamp | Add To Cart | |
| 7 | 253192 - Hex Flange Whiz Bolt | Add To Cart | |
| 8 | 723063 - Extension Linkage | Add To Cart | |
| 9 | 243185 - Hex Bolt | Call For Details | |
| 10 | 253035 - Whiz Nut | Add To Cart | |
| 11 | 643028 - 400/900 Engine Mount - Right | Add To Cart | |
| 12 | 643029 - 400/900 Engine Mount - Left | Add To Cart | |
| 13 | 424078 - Vibration Isolator | Add To Cart | |
| 14 | 253043 - Whiz Nut | Add To Cart | |
| 15 | 729348 - Muffler Mount | Add To Cart | |
| 16 | 724573 - Throttle Cable Mount | Call For Details | |
| 17 | 180635 - Conduit Clip | Call For Details | |
| 18 | 101234 - Kubota Straight Muffler | Add To Cart | |
| - | 606566 - IMCO 900 5 inch Muffler Conversion Kit | Add To Cart | |
| 19 | 644237 - Exhaust Flange W/A | Add To Cart | |
| 20 | 101356 - Exhaust Clamp | Add To Cart | |
| 21 | 321250 - U-Bolt | Add To Cart | |
| 22 | 644849 - 928D/930D Hood Support | Call For Details | |
| 23 | 645303 - 928D/930D Hood | Call For Details | |
| 24 | 644294 - Upper Hood | Add To Cart | |
| 25 | 822639 - Front Hood Trim | Add To Cart | |
| 26 | 822637 - Rear Hood Trim | Add To Cart | |
| 27 | 822510 - 9.0 Air Cleaner Trim Seal | Add To Cart | |
| 28 | 722758 - 928D Side Hood - Right | Call For Details | |
| 29 | 644336 - Side Hood - Left | Add To Cart | |
| 30 | 722722 - Oil filter Cover | Add To Cart | |
| 31 | 100207 - Nelson 90 Degree Air Cleaner | Call For Details | |
| - | 100197 - Clip for Air Cleaner Cover | Add To Cart | |
| - | 100199 - Air Cleaner Cover | Add To Cart | |
| - | 100202 - Dust Ejector | Call For Details | |
| - | 100203 - Kohler Rain Cap | Call For Details | |
| - | 100936 - Outer HD Air Filter | Add To Cart | |
| - | 100937 - Inner HD Air Filter | Call For Details | |
| 32 | 424521 - Air Intake Hose | Call For Details | |
| 33 | 424523 - Breather Inlet Hose | Call For Details | |
| 34 | 280305 - Screw Type Hose Clamp | Add To Cart | |
| 35 | 822515 - 11.0 Air Cleaner Trim Seal | Add To Cart | |
| 36 | 644069 - Air Intake Box Mount | Call For Details | |
| 37 | 644062 - Air Intake Box | Call For Details | |
| 38 | 101616 - Kubota Aluminum Radiator | Call For Details | |
| 39 | 101060 - Upper Aluminum Radiator Hose | Add To Cart | |
| 40 | 101061 - Lower Aluminum Radiator Hose | Add To Cart | |
| 41 | 644656 - Lower Radiator Mount | Add To Cart | |
| 42 | 644670 - 400D/900D Grille with Guard | Add To Cart | |
| 43 | 422090 - Rear Belt Shield Isolator | Add To Cart | |
| 44 | 604805 - Swell Latch Assembly | Add To Cart | |
| 45 | 644652 - Upper Radiator Mount | Call For Details | |
| 46 | 822512 - 19.5 Upper Radiator Trim Seal | Add To Cart | |
| 47 | 422012 - Expansion Tank | Add To Cart | |
| 48 | 423154 - Tie | Add To Cart | |
| 49 | 821749 - Hose | Add To Cart | |
| 50 | 280260 - Spring Hose Clamp | Add To Cart | |
| 51 | 821748 - Clear Vent Hose | Add To Cart | |
| 52 | 725300 - Engine Mount Rail - Right | Call For Details | |
| 53 | 725301 - Engine Mount Rail - Left | Call For Details | |
| 54 | 141012 - Filter Minder Gauge with Mount | Add To Cart | |
| 55 | 363815 - O-Ring Filter Fitting | Call For Details | |
| 56 | 363828 - Street Ell Fitting | Call For Details | |
| 57 | 824641 - Clutch Stub Shaft | Add To Cart | |
| 58 | 270085 - M10 Socket Head Screw | Add To Cart | |
| 59 | 902586 - Spacer | Add To Cart | |
| 60 | 902297 - Spacer - .25 Thick | Add To Cart | |
| 61 | 253850 - Lock Nut | Add To Cart | |
| 62 | 253203 - Flange Whiz Bolt | Add To Cart | |
| 63 | 271121 - Hex Bolt | Add To Cart | |
| 64 | 822506 - 400/900 Lower Radiator Seal | Add To Cart | |
| 65 | 243205 - Hex Bolt | Add To Cart | |
| 66 | 253175 - Hex Whiz Bolt | Add To Cart | |
| 67 | 253173 - Hex Whiz Bolt | Add To Cart | |
| 68 | 253025 - Whiz Nut | Add To Cart | |
| 69 | 822636 - Radiator Grille Trim | Add To Cart | |
| 70 | KU1421 - Exhaust Flange Gasket | Call For Details | |
| 71 | 257020 - Washer | Add To Cart | |
| 72 | 424033 - Rubber Bumper | Add To Cart | |
| 73 | 270065 - M6 Socket Head Screw | Call For Details | |
| 74 | 721197 - Side Shield | Call For Details | |
| 75 | 822522 - Radiator Trim Seal | Add To Cart | |
| 76 | 101384 - 900 Series Exhaust Pipe | Add To Cart |