930D2 Tractor Assembly - 2010
Click on diagram to view super-sized image.
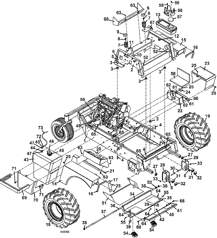
Click On a Part Number Below for Details
NOTE: If the part number you select is not linked to the shopping cart,call toll-free 866-698-4070 for availability.
| Item # | Part Number - Description | Price | |
|---|---|---|---|
| 1 | 644285 - 900 Frame- Lower Front Ports | Call For Details | |
| 2 | 643872 - G2 Upper Frame 2005 | Call For Details | |
| 3 | 257037 - Step Bushing | Add To Cart | |
| 4 | 243220 - Hex Bolt | Add To Cart | |
| 5 | 774020 - Washer | Add To Cart | |
| 6 | 253450 - Nylon Insert Nut | Add To Cart | |
| 7 | 283516 - Compression Spring | Add To Cart | |
| 8 | 253203 - Flange Whiz Bolt | Add To Cart | |
| 9 | 422127 - Seat Spring Cap | Add To Cart | |
| 10 | 603859 - Throttle Assembly | Add To Cart | |
| - | 323675 - Throttle Control Cable Assembly | Add To Cart | |
| - | 722009 - Throttle Lever Stop | Add To Cart | |
| - | 722736 - Heavy Duty Throttle Stop | Add To Cart | |
| 11 | 422150 - Handle Grip | Add To Cart | |
| 12 | 902280 - Spacer | Add To Cart | |
| - | 243335 - Hex Bolt | Add To Cart | |
| - | 257040 - Washer | Add To Cart | |
| 13 | 422040 - Tool Box | Add To Cart | |
| 14 | 693210 - Fender w/Decal 700/900S Right | Add To Cart | |
| - | 163492 - 930D Trim Decal - Right | Call For Details | |
| 15 | 693211 - Fender w/Decal 700/900S Left | Add To Cart | |
| - | 163493 - 930D Trim Decal - Left | Call For Details | |
| 16 | 822635 - Fender Edge Trim - 700/900 | Add To Cart | |
| 17 | 722062 - Fender Cover Panel - Right | Add To Cart | |
| 18 | 483942 - Wheel & Bar Tread Tire - Right | Add To Cart | |
| - | 483420 - 5 Bolt Wheel Only | Add To Cart | |
| - | 482483 - Bar Tread Tire Only | Add To Cart | |
| - | 483946 - Wheel & Turf Tire, 22' | Add To Cart | |
| - | 482473 - Turf Tire Only, 22' | Add To Cart | |
| 19 | 483943 - Wheel & Bar Tread Tire - Left | Add To Cart | |
| - | 482473 - Turf Tire Only, 22' | Add To Cart | |
| - | 482477 - Turf Tire | Add To Cart | |
| - | 482483 - Bar Tread Tire Only | Add To Cart | |
| - | 483420 - 5 Bolt Wheel Only | Add To Cart | |
| - | 483946 - Wheel & Turf Tire, 22' | Add To Cart | |
| 20 | 693104 - Console for Liquid-Cooled Diesel, with Decal | Add To Cart | |
| 21 | 721152 - 96 Console Fill Panel | Add To Cart | |
| 22 | 644163 - Battery Box w/o Draw Latch | Add To Cart | |
| 23 | 644478 - Battery Box Lid w/o Draw Latch | Add To Cart | |
| 24 | 754135 - Battery Hold Down Bracket | Add To Cart | |
| 25 | 253175 - Hex Whiz Bolt | Add To Cart | |
| 26 | 253025 - Whiz Nut | Add To Cart | |
| 27 | 422065 - Square Plastic Plug | Add To Cart | |
| 28 | 643092 - QD 700/900 Deck Mount - Right | Add To Cart | |
| 29 | 643093 - QD 700/900 Deck Mount - Left | Add To Cart | |
| 30 | 247280 - Special Carriage Bolt | Add To Cart | |
| 31 | 282575 - Deck Mount Bushing | Add To Cart | |
| 32 | 282576 - Floating Deck Mount Bushing | Add To Cart | |
| 33 | 253460 - Nylon Insert Nut | Add To Cart | |
| 34 | 604346 - Adjustable Foot Platform Assembly - 700/900 | Add To Cart | |
| 35 | 420905 - Foot Rest Tread | Add To Cart | |
| 36 | 422615 - Nylon Bearing | Add To Cart | |
| 37 | 780673 - Foot Platform Pivot Rod - 700 | Call For Details | |
| 38 | 253470 - Nylon Insert Nut | Add To Cart | |
| 39 | 424052 - Rubber Bumper | Add To Cart | |
| 40 | 603301 - Foot Platform Extension - 700 | Add To Cart | |
| 41 | 420904 - Foot Rest Extension Tread | Add To Cart | |
| 42 | 247130 - Carriage Bolt | Add To Cart | |
| 43 | 604846 - 8 Gallon Diesel Fuel Tank Assembly | Add To Cart | |
| 44 | 363930 - Fuel Tube | Add To Cart | |
| 45 | 363924 - Fuel Tube | Add To Cart | |
| 46 | 100211 - Screw-on Diesel Fuel Cap | Add To Cart | |
| 47 | 101875 - Grommet | Add To Cart | |
| 48 | 141144 - In-Tank Fuel Gauge | Add To Cart | |
| - | 424275 - Grommet | Add To Cart | |
| 49 | 280261 - Spring Hose Clamp | Add To Cart | |
| 50 | 821716 - 928D Fuel Line | Add To Cart | |
| 51 | 721383 - Trash Shield - G2 | Add To Cart | |
| 52 | 424015 - Rubber Bumper | Add To Cart | |
| 53 | 283312 - Compression Spring | Add To Cart | |
| 54 | 424100 - Footrest Isolator Block | Add To Cart | |
| 55 | 243026 - Hex Bolt | Add To Cart | |
| 56 | 427278 - Battery Tray Pad | Add To Cart | |
| 57 | 422066 - Cup Hole Plug | Add To Cart | |
| 58 | 150225 - Cup Holder | Add To Cart | |
| 59 | 259030 - Cap Screw | Add To Cart | |
| - | 254436 - Nut | Add To Cart | |
| 60 | 257020 - Washer | Add To Cart | |
| 61 | 253440 - Nylon Insert Nut | Add To Cart | |
| 62 | 253176 - Truss Whiz Bolt | Add To Cart | |
| 63 | 253173 - Hex Whiz Bolt | Add To Cart | |
| 64 | 253035 - Whiz Nut | Add To Cart | |
| 65 | 253043 - Whiz Nut | Add To Cart | |
| 66 | 253192 - Hex Flange Whiz Bolt | Add To Cart | |
| 67 | 729230 - Brake Pin Reinforcement | Call For Details | |
| 68 | 722765 - 928D I-Coupler Shield | Add To Cart | |
| 69 | 644826 - 8 Gallon Fuel Tank Mount | Add To Cart | |
| 70 | 723339 - 8 Gallon Tank Shield | Add To Cart | |
| 71 | 253200 - Whiz Bolt | Add To Cart | |
| 72 | 280257 - Spring Hose Clamp | Add To Cart | |
| 73 | 821741 - 300S Fuel Line Return Hose | Add To Cart | |
| 74 | 605345 - Decal Set - 930D | Call For Details |