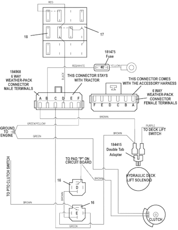
930D2 Universal Wiring Harness Wiring Diagram (cont.) Serial #6312279 & Above - 2013
Click On a Part Number Below for Details
NOTE: If the part number you select is not linked to the shopping cart,call toll-free 866-698-4070 for availability.
| Item # | Part Number - Description | Price | |
|---|---|---|---|
| 16 | 184266 - 12VDC Relay w/Diode | Add To Cart | |
| 17 | 181722 - Fuse Block | Add To Cart | |
| - | 184458 - 1 Wire Fuse Clip | Add To Cart | |
| - | 184460 - 2 Wire Fuse Clip | Add To Cart | |
| - | 184472 - Double Clip Fuse Clip | Add To Cart | |
| 18 | 181470 - 30 ATC Auto Fuse | Add To Cart | |
| - | 181460 - 7.50 ATC Auto Fuse | Add To Cart | |
| - | 181462 - 10 ATC Auto Fuse | Add To Cart | |
| - | 181465 - 15 ATC Auto Fuse | Add To Cart |