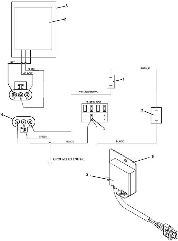
930D2 Wiring for Hydraulic Lift  - 2008
Click On a Part Number Below for Details
NOTE: If the part number you select is not linked to the shopping cart,call toll-free 866-698-4070 for availability.
| Item # | Part Number - Description | Price | |
|---|---|---|---|
| 1 | 144950 - Hydraulic Valve Solenoid | Add To Cart | |
| 2 | 183710 - Power Components Tilt Switch | Add To Cart | |
| 3 | 183940 - Sealed Dome Switch | Add To Cart | |
| - | 183943 - Black Button Cup | Add To Cart | |
| - | 183954 - Momentary Toggle | Add To Cart | |
| 4 | 184973 - 3-Way Male Terminal Connector WP | Call For Details | |
| 5 | 181460 - 7.50 Auto ATC Fuse | Add To Cart | |
| 6 | 722747 - Tilt Switch Mount | Call For Details |