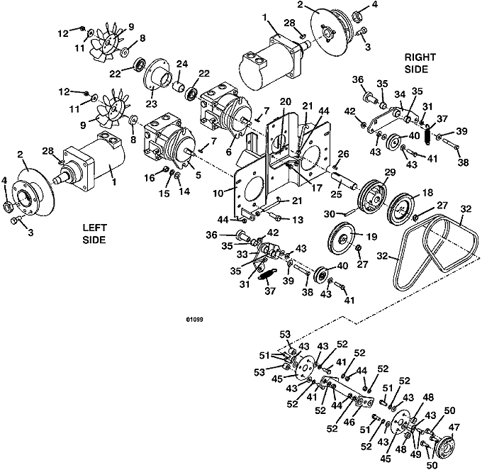
932G2 Drive Assembly - 2002
Click On a Part Number Below for Details
NOTE: If the part number you select is not linked to the shopping cart,call toll-free 866-698-4070 for availability.
| Item # | Part Number - Description | Price | |
|---|---|---|---|
| 1 | 603598 - Wheel Motor with Hub | Add To Cart | |
| 2 | 604440 - Bolt-On Rotor Wheel Hub | Add To Cart | |
| - | 775192 - 8.0 Brake Rotor | Add To Cart | |
| - | 259592 - Socket Head Screw | Add To Cart | |
| 3 | 248565 - Lug Bolt | Add To Cart | |
| 4 | 254522 - Nut | Add To Cart | |
| 5 | 391452 - Hydro Pump - left | Add To Cart | |
| - | 125165 - Seal | Add To Cart | |
| - | 130020 - Square Charge Cover Seal Ring | Add To Cart | |
| 6 | 391453 - Hydro Pump - right | Add To Cart | |
| - | 125165 - Seal | Add To Cart | |
| - | 130020 - Square Charge Cover Seal Ring | Add To Cart | |
| 7 | 281562 - Rectangle Key | Add To Cart | |
| 8 | 885123 - 10A Fan Mount Hub | Add To Cart | |
| 9 | 320857 - CW 7” Nylon Fan | Add To Cart | |
| 10 | 644630 - 900 Drive Mount | Call For Details | |
| 11 | 774020 - Washer | Add To Cart | |
| 12 | 254452 - Nut | Add To Cart | |
| 13 | 243335 - Hex Bolt | Add To Cart | |
| 14 | 257062 - Washer | Add To Cart | |
| 15 | 257432 - Lock Washer | Add To Cart | |
| 16 | 254470 - Nut | Add To Cart | |
| 17 | 253192 - Hex Flange Whiz Bolt | Add To Cart | |
| 18 | 415021 - Sheave | Add To Cart | |
| 19 | 415022 - Sheave | Add To Cart | |
| 20 | 725028 - 928 Spring Bracket | Call For Details | |
| 21 | 730391 - Idler Adjustment J Bolt | Add To Cart | |
| 22 | 110081 - 2 Metal Seal 25mm Ball Bearing | Add To Cart | |
| 23 | 320522 - Vac Fan Spindle Housing | Add To Cart | |
| 24 | 903650 - Drive Bearing Spacer | Add To Cart | |
| 25 | 882052 - 700G2 Drive Shaft | Add To Cart | |
| 26 | 281580 - Square Key | Add To Cart | |
| 27 | 830351 - Flanged Nut with Counterweight | Add To Cart | |
| 28 | 281860 - Woodruff Key | Add To Cart | |
| 29 | 415037 - Sheave | Add To Cart | |
| 30 | 261061 - Roll Pin | Add To Cart | |
| 31 | 422520 - Nylon Bearing | Add To Cart | |
| 32 | 381537 - Belt | Add To Cart | |
| 33 | 824491 - Idler Arm Assembly | Add To Cart | |
| 34 | 824490 - Idler Arm Assembly | Add To Cart | |
| 35 | 121756 - Oilite Bearing | Add To Cart | |
| 36 | 121650 - Pedestal Bearing | Add To Cart | |
| 37 | 283819 - Extension Spring with Swivel | Add To Cart | |
| 38 | 243360 - Hex Bolt | Add To Cart | |
| 39 | 257040 - Washer | Add To Cart | |
| 40 | 604449 - Idler | Add To Cart | |
| 41 | 243360 - Hex Bolt | Add To Cart | |
| 42 | 253043 - Whiz Nut | Add To Cart | |
| 43 | 257030 - Washer | Add To Cart | |
| 44 | 254450 - Nut | Add To Cart | |
| 45 | 821530 - Flex Coupling Disc | Add To Cart | |
| 46 | 644153 - Coupling Connector | Add To Cart | |
| 47 | 885285 - Coupling Adapter | Add To Cart | |
| 48 | 902318 - Coupling Spacer | Add To Cart | |
| 49 | 830040 - Hex Bolt | Add To Cart | |
| 50 | 270085 - M10 Socket Head Screw | Add To Cart | |
| 51 | 243330 - Hex Bolt | Add To Cart | |
| 52 | 257412 - Lock Washer | Add To Cart | |
| 53 | 902328 - G2 Drive Spacer | Add To Cart |