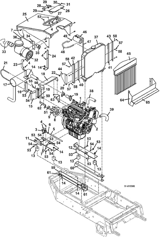
932G2 Engine Assembly - 2003
Click On a Part Number Below for Details
NOTE: If the part number you select is not linked to the shopping cart,call toll-free 866-698-4070 for availability.
| Item # | Part Number - Description | Price | |
|---|---|---|---|
| 1 | 100178 - Kubota Gas Engine | Call For Details | |
| 2 | 100805 - Kubota Oil Filter | Add To Cart | |
| 3 | 101510 - Electric Fuel Pump | Call For Details | |
| 4 | 253025 - Whiz Nut | Add To Cart | |
| 5 | 821716 - 928D Fuel Line Hose | Add To Cart | |
| 6 | 280261 - Spring Hose Clamp | Add To Cart | |
| 7 | 253177 - Truss Whiz Bolt | Add To Cart | |
| 8 | 824641 - Clutch Stub Shaft | Add To Cart | |
| 9 | 270085 - M10 Socket Head Screw | Add To Cart | |
| 10 | 253035 - Whiz Nut | Add To Cart | |
| 11 | 643028 - 400/900 Engine Mount - right | Add To Cart | |
| 12 | 643029 - 400/900 Engine Mount - left | Add To Cart | |
| 13 | 424078 - Vibration Isolator | Add To Cart | |
| 14 | 253043 - Whiz Nut | Add To Cart | |
| 15 | 754110 - Muffler Bracket Mount | Add To Cart | |
| 16 | 754098 - 400 series Muffler Bracket | Add To Cart | |
| 17 | 101232 - Kubota Muffler | Call For Details | |
| 18 | 722283 - Clutch Shield | Add To Cart | |
| 19 | 644237 - Exhaust Flange | Add To Cart | |
| 20 | 101356 - Exhaust Clamp | Add To Cart | |
| 21 | 321250 - U-Bolt | Add To Cart | |
| 22 | 180640 - Dual Conduit Clip | Call For Details | |
| 23 | 726102 - 432 right Hood Mount | Call For Details | |
| 24 | 726099 - 400 left Hood Mount | Add To Cart | |
| 25 | 644327 - 432/932 Hood | Call For Details | |
| 26 | 643967 - 928 Hood Door | Call For Details | |
| 27 | 424029 - Rubber Bumper | Add To Cart | |
| 28 | 724059 - 928 Hood Bracket | Call For Details | |
| 29 | 243195 - Hex Bolt | Add To Cart | |
| 30 | 284312 - Spring Washer | Call For Details | |
| 31 | 253450 - Nylon Insert Nut | Add To Cart | |
| 32 | 100939 - Kubota Air Filter | Call For Details | |
| 33 | 424522 - 432/932 Air Intake Hose | Call For Details | |
| 34 | 723078 - Filter Minder Bracket | Call For Details | |
| 35 | 603325 - Filter Minder & Mount Assembly | Add To Cart | |
| 36 | 821695 - Filter Minder Hose | Call For Details | |
| - | 360090 - Brass Bulk HD Fitting | Call For Details | |
| 37 | 101615 - Kubota Radiator | Call For Details | |
| 38 | 101056 - Upper Radiator Hose | Call For Details | |
| 39 | 101057 - Lower Radiator Hose | Call For Details | |
| 40 | 722114 - right Radiator Grille Mount | Call For Details | |
| 41 | 722115 - left Radiator Grille Mount | Call For Details | |
| 42 | 722058 - Outer Right Grille Support | Call For Details | |
| 43 | 722059 - Outer Left Grille Support | Call For Details | |
| 44 | 723134 - Throttle Cable Clamp Plate | Call For Details | |
| 45 | 644667 - 400/900 Grille | Call For Details | |
| 46 | 422012 - Expansion Tank | Add To Cart | |
| 47 | 821748 - Clear Vent Hose | Add To Cart | |
| 48 | 821749 - Hose | Add To Cart | |
| 49 | 280260 - Spring Hose Clamp | Add To Cart | |
| 50 | 774020 - Washer | Add To Cart | |
| 51 | 902586 - Spacer | Add To Cart | |
| 52 | 253176 - Truss Whiz Bolt | Add To Cart | |
| 53 | 271120 - Hex Bolt | Add To Cart | |
| 54 | 275580 - Lock Washer | Add To Cart | |
| 55 | 271020 - 8m Hex Head | Add To Cart | |
| 56 | 257402 - Lock Washer | Add To Cart | |
| 57 | 270820 - Hex Bolt | Add To Cart | |
| 58 | 257392 - Lock Washer | Add To Cart | |
| 59 | 725300 - right Engine Mount Rail | Call For Details | |
| 60 | 725301 - left Engine Mount Rail | Call For Details | |
| 61 | 253203 - Flange Whiz Bolt | Add To Cart | |
| 62 | 755012 - 932 Clutch Shield Bracket | Call For Details | |
| 63 | 729094 - Shield Mount Bracket | Add To Cart | |
| 64 | 644360 - Intake Duct with Shield | Call For Details | |
| 65 | 424160 - Grille Seal | Add To Cart |