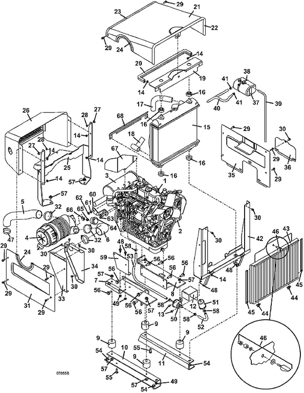
932G2 Engine Assembly  - 2010
Click On a Part Number Below for Details
NOTE: If the part number you select is not linked to the shopping cart,call toll-free 866-698-4070 for availability.
| Item # | Part Number - Description | Price | |
|---|---|---|---|
| 1 | 100172 - Kubota Gas Engine | Call For Details | |
| 2 | 100800 - Kubota Oil Filter | Add To Cart | |
| 3 | 101235 - Kubota Muffler | Add To Cart | |
| - | 101040 - Kubota Exhaust Flange | Add To Cart | |
| 4 | 100207 - Nelson 90 Degree Air Cleaner | Call For Details | |
| - | 100197 - Clip for Air Cleaner Cover | Add To Cart | |
| - | 100199 - Air Cleaner Cover | Add To Cart | |
| - | 100202 - Dust Ejector | Call For Details | |
| - | 100203 - Air Hood | Call For Details | |
| - | 100936 - Outer HD Air Filter | Add To Cart | |
| - | 100937 - Inner HD Air Filter | Call For Details | |
| 5 | 424535 - Breather/Carburetor Hose | Add To Cart | |
| 6 | 424520 - Breather Inlet Hose | Add To Cart | |
| 7 | 644286 - Engine Mount - RT 902D | Call For Details | |
| 8 | 644287 - Engine Mount - LT 902D | Add To Cart | |
| 9 | 424076 - Vibration Isolator | Add To Cart | |
| 10 | 725388 - right Engine Mount Rail | Call For Details | |
| 11 | 725389 - left Engine Mount Rail | Call For Details | |
| 12 | 751030 - 729 Fuel Pump Shield | Call For Details | |
| 13 | 253176 - Truss Whiz Bolt | Add To Cart | |
| 14 | 253025 - Whiz Nut | Add To Cart | |
| 15 | 101612 - Kubota 902 Radiator | Call For Details | |
| 16 | 101080 - Radiator Mount Isolator Bushing | Call For Details | |
| 17 | 101058 - Upper Radiator Hose | Call For Details | |
| 18 | 101059 - Lower Radiator Hose | Call For Details | |
| 19 | 729327 - Radiator Channel Clamp | Add To Cart | |
| 20 | 822518 - Hood Bulb Seal | Add To Cart | |
| 21 | 644293 - 722D Upper Hood | Add To Cart | |
| 22 | 822639 - Front Hood Trim | Add To Cart | |
| 23 | 822637 - Rear Hood Trim | Add To Cart | |
| 24 | 822513 - Air Cleaner Trim Seal | Add To Cart | |
| 25 | 644853 - 932 Hood Support | Call For Details | |
| 26 | 644307 - Rear Hood | Call For Details | |
| 27 | 902297 - Spacer | Add To Cart | |
| 28 | 253850 - Lock Nut | Add To Cart | |
| 29 | 253175 - Hex Whiz Bolt | Add To Cart | |
| 30 | 253173 - Hex Whiz Bolt | Add To Cart | |
| 31 | 722712 - right Side Hood | Add To Cart | |
| 32 | 280305 - Screw Type Hose Clamp | Add To Cart | |
| 33 | 644066 - Air Intake Box Mount | Call For Details | |
| 34 | 644059 - Air Intake Box | Add To Cart | |
| 35 | 644322 - Left 722D W/A Hood Side | Add To Cart | |
| 36 | 722722 - Oil filter Cover | Add To Cart | |
| 37 | 422012 - Expansion Tank | Add To Cart | |
| 38 | 423154 - Tie | Add To Cart | |
| 39 | 821748 - Clear Vent Hose | Add To Cart | |
| 40 | 821749 - Hose | Add To Cart | |
| 41 | 280260 - Spring Hose Clamp | Add To Cart | |
| 42 | 644658 - Radiator Mount - Lower 902 | Add To Cart | |
| 43 | 644668 - 902D Grille w/Guard | Add To Cart | |
| 44 | 422090 - Rear Belt Shield Isolator | Add To Cart | |
| 45 | 822636 - Radiator Grille Trim | Add To Cart | |
| 46 | 604805 - Swell Latch Assembly | Add To Cart | |
| 47 | 280303 - Screw Type Hose Clamp | Add To Cart | |
| 48 | 253192 - Flange Whiz Bolt | Add To Cart | |
| 49 | 253035 - Whiz Nut | Add To Cart | |
| 50 | 101510 - Electric Fuel Pump | Call For Details | |
| 51 | 101005 - Kubota Fuel PreFilter | Call For Details | |
| 52 | 821731 - Fuel Hose | Call For Details | |
| 53 | 821728 - Fuel Hose | Call For Details | |
| 54 | 253203 - Flange Whiz Bolt | Add To Cart | |
| 55 | 243330 - Hex Bolt | Add To Cart | |
| 56 | 271121 - Hex Bolt | Add To Cart | |
| 57 | 253043 - Whiz Nut | Add To Cart | |
| 58 | 280261 - Spring Hose Clamp | Add To Cart | |
| 59 | 754224 - Coil Mount | Call For Details | |
| 60 | 732601 - Muffler Support Strap | Add To Cart | |
| 61 | 257402 - Lock Washer | Add To Cart | |
| 62 | 274145 - Hex Nut | Add To Cart | |
| 63 | 271021 - Hex Bolt | Add To Cart | |
| 64 | 141012 - Filter Minder Gauge without Mount | Add To Cart | |
| 65 | 363815 - Filter O-Ring Fitting | Call For Details | |
| 66 | 363828 - Street Ell Fitting | Call For Details | |
| 67 | 723228 - Muffler Shield | Add To Cart | |
| 68 | 721006 - Fan Shield | Add To Cart |