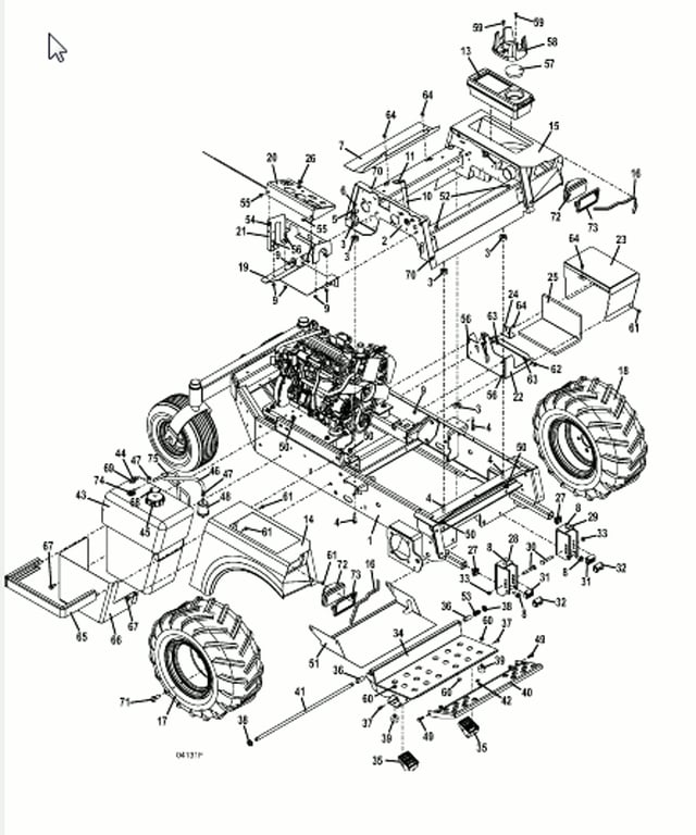
932G2 Tractor Assembly  - 2012
Click On a Part Number Below for Details
NOTE: If the part number you select is not linked to the shopping cart,call toll-free 866-698-4070 for availability.
| Item # | Part Number - Description | Price | |
|---|---|---|---|
| 1 | 644285 - 900 Front Ports Lower Frame | Call For Details | |
| 2 | 643886 - 900 Low Profile Upper Frame | Call For Details | |
| 3 | 257037 - Step Bushing | Add To Cart | |
| 4 | 243220 - Hex Bolt | Add To Cart | |
| 5 | 774020 - Washer | Add To Cart | |
| 6 | 253450 - Nylon Insert Nut | Add To Cart | |
| 7 | 722779 - 2005 932 I-Coupler Shield | Call For Details | |
| 8 | 253203 - Flange Whiz Bolt | Add To Cart | |
| 9 | 253025 - Whiz Nut | Add To Cart | |
| 10 | 603834 - 932 Throttle Assembly includes Cable Assembly(NOTE: This item is non-returnable.) | Call For Details | |
| - | 323648 - Throttle Cable | Add To Cart | |
| - | 722009 - Throttle Stop Lever | Add To Cart | |
| - | 722736 - Heavy Duty Throttle Stop | Add To Cart | |
| 11 | 422150 - Handle Grip | Add To Cart | |
| 12 | 902280 - Spacer | Add To Cart | |
| - | 243335 - Hex Bolt | Add To Cart | |
| - | 257040 - Washer | Add To Cart | |
| 13 | 422040 - Tool Box | Add To Cart | |
| 14 | 693220 - right 700/900 Fender with Safety Decal | Call For Details | |
| 15 | 693221 - left 700/900 Fender with Safety Decal | Add To Cart | |
| 16 | 822632 - Trim | Add To Cart | |
| 17 | 483942 - 22 x 11 x 10 right Wheel & Tire with Bar Tread | Add To Cart | |
| 18 | 483943 - 22 x 11 x 10 left Wheel & Tire | Add To Cart | |
| - | 482473 - 20 x 10 x 10 Turf Tire | Add To Cart | |
| - | 482483 - 22 x 11 x 10 Tire with Bar Tread | Add To Cart | |
| - | 483420 - 10 x 8.5 5-Bolt Wheel | Add To Cart | |
| - | 483946 - 22 x 10 x 10 / 22 x 11 x 10 Wheel & Turf Tire | Add To Cart | |
| 19 | 645050 - Console Mount | Call For Details | |
| 20 | 693108 - Console with Decals for Liquid-Cooled Gas Models | Call For Details | |
| 21 | 722876 - Console Mount Frame | Call For Details | |
| 22 | 644163 - Battery Box without Draw Latch | Add To Cart | |
| 23 | 644478 - Battery Box Lid without Latch | Add To Cart | |
| 24 | 754135 - Battery Hold-Down Bracket | Add To Cart | |
| 25 | 427278 - Battery Tray Pad | Add To Cart | |
| 26 | 142232 - Mechanical Choke | Add To Cart | |
| 27 | 422065 - 1 inch (internal dimensions) Square Plastic Plug | Add To Cart | |
| 28 | 643092 - right 700/900 Quick Disconnect Deck Mount | Add To Cart | |
| 29 | 643093 - left 700/900 Quick Disconnect Deck Mount | Add To Cart | |
| 30 | 247280 - Special Carriage Bolt | Add To Cart | |
| 31 | 282575 - Deck Mount Bushing | Add To Cart | |
| 32 | 282576 - Floating Deck Mount Bushing | Add To Cart | |
| 33 | 253460 - Nylon Insert Nut | Add To Cart | |
| 34 | 604346 - 700/900 Adjustable Foot Platform Assembly(includes items 35, 36, 54, & 55) | Add To Cart | |
| 35 | 424100 - Footrest Isolator Block | Add To Cart | |
| 36 | 422615 - Nylon Bearing | Add To Cart | |
| 37 | 243026 - Hex Bolt | Add To Cart | |
| 38 | 253470 - Nylon Insert Nut | Add To Cart | |
| 39 | 424052 - Rubber Bumper | Add To Cart | |
| 40 | 643304 - Series 700 Foot Platform Extension | Add To Cart | |
| 41 | 780673 - 700 Foot Platform Pivot Rod | Call For Details | |
| 42 | 247130 - Carriage Bolt | Add To Cart | |
| 43 | 605796 - 8 Gallon Gas Tank Assembly with .312 Barbed Fitting | Add To Cart | |
| 44 | 363930 - Fuel Tube | Add To Cart | |
| 45 | 100212 - Internal Sealed Tether Fuel Cap | Add To Cart | |
| 46 | 821716 - Fuel Line Hose | Add To Cart | |
| 47 | 280261 - Spring Hose Clamp | Add To Cart | |
| 48 | 101005 - Kubota Fuel Pre-filter | Call For Details | |
| 49 | 253192 - Hex Flange Whiz Bolt | Add To Cart | |
| 50 | 253043 - Whiz Nut | Add To Cart | |
| 51 | 721383 - G2 Trash Shield | Add To Cart | |
| 52 | 424015 - Rubber Bumper | Add To Cart | |
| 53 | 283312 - Compression Spring | Add To Cart | |
| 54 | 254432 - Plastic Retainer Nut | Add To Cart | |
| 55 | 253180 - Bolt | Add To Cart | |
| 56 | 253176 - Truss Whiz Bolt | Add To Cart | |
| 57 | 422066 - Cup Hole Plug | Add To Cart | |
| 58 | 150225 - Cup Holder | Add To Cart | |
| 59 | 259030 - Cap Screw | Add To Cart | |
| - | 254436 - Nut | Add To Cart | |
| 60 | 253035 - Whiz Nut | Add To Cart | |
| 61 | 253175 - Hex Whiz Bolt | Add To Cart | |
| 62 | 257020 - Washer | Add To Cart | |
| 63 | 253440 - Nylon Insert Nut | Add To Cart | |
| 64 | 253173 - Hex Whiz Bolt | Add To Cart | |
| 65 | 644826 - 8 gallon Tank Mount | Add To Cart | |
| 66 | 723339 - 8 gallon Tank Shield | Add To Cart | |
| 67 | 253200 - Whiz Bolt | Add To Cart | |
| 68 | 141144 - Fuel Intake Gauge | Add To Cart | |
| - | 424275 - Grommet | Add To Cart | |
| 69 | 101875 - Fuel Tube Bushing | Add To Cart | |
| 70 | 254431 - Speed Nut | Add To Cart | |
| 71 | 248565 - Lug Bolt | Add To Cart | |
| 72 | 182250 - Halogen Flood Worklamp | Add To Cart | |
| 73 | 182251 - Snap Mount Worklamp Bezel | Add To Cart | |
| 74 | 100216 - Fuel Tank Valve 2011 | Add To Cart | |
| 75 | 821759 - Fuel Vapor Hose | Add To Cart | |
| 76 | 605551 - 932G2 Decal Set | Call For Details |