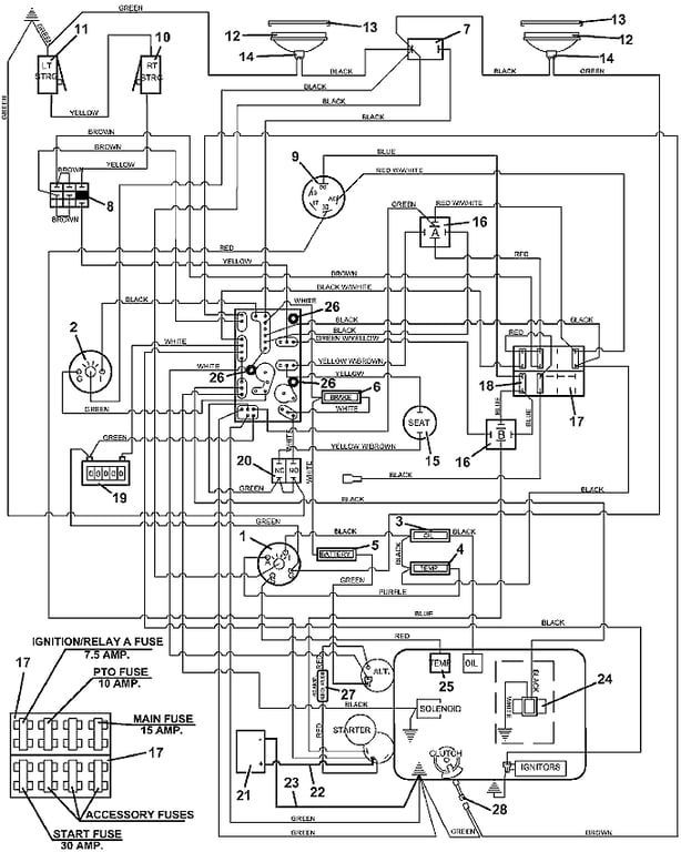
932G2 Wiring & Lights - 2009
Click On a Part Number Below for Details
NOTE: If the part number you select is not linked to the shopping cart,call toll-free 866-698-4070 for availability.
| Item # | Part Number - Description | Price | |
|---|---|---|---|
| 1 | 141160 - Zoned Electric Temperature Gauge | Add To Cart | |
| 2 | 141200 - Voltmeter Gauge | Add To Cart | |
| 3 | 182327 - Oil Indicator Light | Add To Cart | |
| 4 | 182328 - Temperature Indicator Light | Add To Cart | |
| 5 | 182325 - Battery Indicator Light | Add To Cart | |
| 6 | 182326 - Brake Indicator Light | Add To Cart | |
| 7 | 184179 - Rocker Switch | Add To Cart | |
| 8 | 183925 - Switch Push/Pull | Add To Cart | |
| 9 | 183827 - Switch Key Sealed - Kubota | Add To Cart | |
| 10 | 183860 - Lever Switch | Add To Cart | |
| - | 720160 - Steering Switch Mount - right | Add To Cart | |
| 11 | 183860 - Lever Switch | Add To Cart | |
| - | 720161 - Steering Switch Mount - left | Add To Cart | |
| 12 | 182250 - Halogen Flood Worklamp | Add To Cart | |
| - | 182245 - Halogen Light Bulb | Add To Cart | |
| 13 | 182251 - Snap Mount Worklamp Bezel | Add To Cart | |
| 14 | 604895 - 900 Worklamp Harness | Call For Details | |
| 15 | 183871 - Twist-In Seat Switch | Add To Cart | |
| 16 | 184272 - 12V DC Relay | Add To Cart | |
| 16 | 184570 - Type 1 6mm Push-On | Add To Cart | |
| - | 184581 - .250 Fast-On Terminal | Add To Cart | |
| - | 184926 - 5-Way Female Connector | Add To Cart | |
| 17 | 181722 - Fuse Block | Add To Cart | |
| - | 184458 - 1 Wire Fuse Clip | Add To Cart | |
| - | 184460 - 2 Wire Fuse Clip | Add To Cart | |
| - | 184472 - Double Fuse Clip | Add To Cart | |
| 18 | 181470 - 30 amp Auto ATC Fuse | Add To Cart | |
| - | 181465 - 15 amp Auto ATC Fuse | Add To Cart | |
| - | 181462 - 10 amp Auto ATC Fuse | Add To Cart | |
| - | 181460 - 7.5 amp Auto ATC Fuse | Add To Cart | |
| 19 | 141551 - Snap In Hour Meter | Add To Cart | |
| 20 | 183894 - Brake Interlock Switch | Add To Cart | |
| 21 | 180130 - 12 Volt Side Post Wet Battery | Call For Details | |
| - | 180131 - 12 Volt Side Post Dry Battery | Call For Details | |
| 22 | 180313 - 14 inch Battery Cable - Red | Add To Cart | |
| - | 425215 - Alternator Terminal Red Boot | Add To Cart | |
| - | 425219 - Starter Terminal Boot | Add To Cart | |
| - | 425223 - Battery Terminal Boot | Add To Cart | |
| 23 | 180282 - 20 inch Battery Cable - Black | Add To Cart | |
| 24 | 101510 - Electric Fuel Pump | Call For Details | |
| 25 | 141222 - Temperature Sender | Add To Cart | |
| 26 | 423690 - PC Board Support Spacer | Add To Cart | |
| 27 | 604888 - Regulator In-Line Fuse Holder | Add To Cart | |
| - | 181475 - 40 amp Auto ATC Fuse | Add To Cart | |
| 28 | 388840 - Pigtail Cable Assembly | Add To Cart | |
| 29 | 604973 - 932 Wiring Assembly | Call For Details | |
| 30 | 161127 - 729/932 Console Picture Decal | Add To Cart |