932G2 Wiring & Lights - 2012
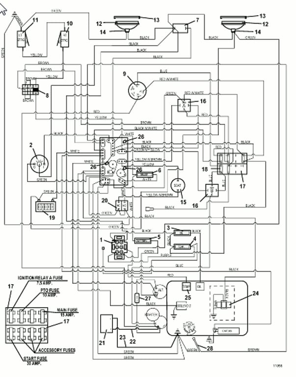
Click On a Part Number Below for Details
NOTE: If the part number you select is not linked to the shopping cart,call toll-free 866-698-4070 for availability.
Item # | Part Number - Description | Price | |
---|---|---|---|
1 | 141165 - Zoned Electric Temperature Gauge | Add To Cart | |
2 | 141203 - Voltmeter Gauge | Add To Cart | |
3 | 182327 - Oil Indicator Light | Add To Cart | |
4 | 182328 - Temperature Indicator Light | Add To Cart | |
5 | 182325 - Battery Indicator Light | Add To Cart | |
6 | 182326 - Brake Indicator Light | Add To Cart | |
7 | 184179 - Rocker Switch | Add To Cart | |
8 | 183925 - Switch Push/Pull | Add To Cart | |
9 | 183827 - Switch Key Sealed - Kubota | Add To Cart | |
10 | 183860 - Lever Switch | Add To Cart | |
- | 720160 - Steering Switch Mount - right | Add To Cart | |
11 | 183860 - Lever Switch | Add To Cart | |
- | 720161 - Steering Switch Mount - left | Add To Cart | |
12 | 182250 - Halogen Flood Worklamp | Add To Cart | |
- | 182245 - Halogen Light Bulb | Add To Cart | |
13 | 182251 - Snap Mount Worklamp Bezel | Add To Cart | |
14 | 604895 - 900 Worklamp Harness | Call For Details | |
15 | 183871 - Twist-In Seat Switch | Add To Cart | |
16 | 184272 - 12V DC Relay | Add To Cart | |
16 | 184570 - Type 1 6mm Push-On | Add To Cart | |
17 | 181722 - Fuse Block | Add To Cart | |
- | 184458 - 1 Wire Fuse Clip | Add To Cart | |
- | 184460 - 2 Wire Fuse Clip | Add To Cart | |
- | 184472 - Double Fuse Clip | Add To Cart | |
18 | 181470 - 30 amp Auto ATC Fuse | Add To Cart | |
- | 181465 - 15 amp Auto ATC Fuse | Add To Cart | |
- | 181462 - 10 amp Auto ATC Fuse | Add To Cart | |
- | 181460 - 7.5 amp Auto ATC Fuse | Add To Cart | |
19 | 141551 - Snap In Hour Meter | Add To Cart | |
20 | 183894 - Brake Interlock Switch | Add To Cart | |
21 | 180130 - 12 Volt Side Post Wet Battery | Call For Details | |
- | 180131 - 12 Volt Side Post Dry Battery | Call For Details | |
22 | 180313 - 14 inch Battery Cable - Red | Add To Cart | |
- | 425215 - Alternator Terminal Red Boot | Add To Cart | |
- | 425219 - Starter Terminal Boot | Add To Cart | |
- | 425223 - Battery Terminal Boot | Add To Cart | |
23 | 180282 - 20' Battery Cable - Black | Add To Cart | |
24 | 101510 - Electric Fuel Pump | Call For Details | |
25 | 141224 - Temperature Sender | Add To Cart | |
26 | 423690 - PC Board Support Spacer | Add To Cart | |
27 | 604880 - Regulator In-Line Fuse Holder | Add To Cart | |
- | 181475 - 40 amp Auto ATC Fuse | Add To Cart | |
28 | 388840 - Pigtail Cable Assembly | Add To Cart | |
29 | 605888 - 932 Wiring Assembly | Call For Details |