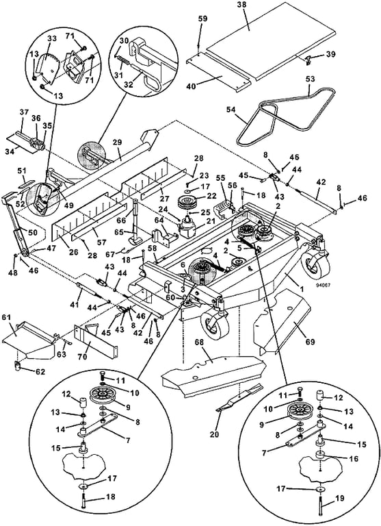
9352 Mower Assembly - 1995
Click On a Part Number Below for Details
NOTE: If the part number you select is not linked to the shopping cart, call toll-free 866-698-4070 for availability.
Item # | Part Number - Description | Price | |
---|---|---|---|
1 | 643973 - 52 Deck Weldment Combo | Add To Cart | |
2 | 414686 - Sheave | Add To Cart | |
3 | 282630 - Spacer | Add To Cart | |
4 | 283820 - Extension Spring with Swivel | Add To Cart | |
5 | 730391 - Idler Adjustment J Bolt | Add To Cart | |
6 | 414685 - Sheave | Add To Cart | |
7 | 824502 - Idler Arm with Bearing Pedestal | Add To Cart | |
8 | 257062 - Washer | Add To Cart | |
9 | 393225 - Idler | Add To Cart | |
10 | 257432 - Lock Washer | Add To Cart | |
11 | 243565 - Hex Bolt | Add To Cart | |
12 | 422098 - Vinyl Cap | Add To Cart | |
13 | 253043 - Whiz Nut | Add To Cart | |
14 | 257040 - Flat Washer | Add To Cart | |
15 | 121650 - Pedestal Bearing | Add To Cart | |
16 | 902317 - Idler Arm Spacer | Add To Cart | |
17 | 257041 - Cupped Washer | Add To Cart | |
18 | 243365 - Hex Bolt | Add To Cart | |
19 | 243385 - Hex Bolt | Add To Cart | |
20 | 320236 - 18 Inch Medium Lift Blade | Call For Details | |
- | 320238 - 18 Inch Contour Blade | Call For Details | |
- | 320239 - 18 Inch Notched High Lift Blade | Call For Details | |
- | 320241 - 18 Inch Extreme High Lift Blade | Call For Details | |
21 | 390024 - CCW Right Angle Gear Box | Add To Cart | |
22 | 416116 - Sheave | Add To Cart | |
23 | 243331 - Hex Bolt | Add To Cart | |
24 | 281833 - Woodruff Key | Add To Cart | |
25 | 281828 - Woodruff Key | Add To Cart | |
26 | 424181 - 9352 Deck Flap | Call For Details | |
27 | 782568 - 52 Deck Flap Strap | Add To Cart | |
28 | 253175 - Hex Whiz Bolt | Add To Cart | |
29 | 603559 - Lift Arm Assembly | Add To Cart | |
30 | 263490 - External Retainer | Add To Cart | |
31 | 283285 - Compression Spring | Add To Cart | |
32 | 730433 - Deck Mount Latch Pin | Add To Cart | |
33 | 604520 - Lever Mount with Decal | Add To Cart | |
34 | 398525 - UN Half Shaft | Add To Cart | |
35 | 401010 - Yoke | Add To Cart | |
36 | 121010 - Cross Bearing | Add To Cart | |
37 | 402605 - Yoke Shaft | Add To Cart | |
38 | 603781 - 9052 Shield Assembly | Call For Details | |
39 | 281301 - Rubber Draw Latch | Add To Cart | |
40 | 722284 - 9048/52 right Belt Shield | Add To Cart | |
41 | 603562 - Lift Lever Linkage | Add To Cart | |
42 | 603564 - 52 Deck Linkage Arm | Add To Cart | |
43 | 265565 - Clevis Yoke | Add To Cart | |
44 | 254493 - Nut | Add To Cart | |
45 | 261426 - Clevis Pin | Add To Cart | |
46 | 260650 - Cotter Pin | Add To Cart | |
47 | 261346 - Clevis Pin | Add To Cart | |
48 | 253930 - Lock Nut | Add To Cart | |
49 | 243580 - Hex Bolt | Add To Cart | |
50 | 643529 - Deck Lift Lever | Add To Cart | |
51 | 422155 - Handle Grip | Add To Cart | |
52 | 422158 - Handle Grip | Add To Cart | |
53 | 382037 - Belt | Add To Cart | |
54 | 382800 - Belt | Add To Cart | |
55 | 729283 - 52 Inch Deck Step | Add To Cart | |
56 | 253192 - Hex Flange Whiz Bolt | Add To Cart | |
- | 253035 - Whiz Nut | Add To Cart | |
57 | 782595 - Rear Deflector Strap | Add To Cart | |
58 | 254431 - Speed Nut | Add To Cart | |
59 | 253173 - Hex Whiz Bolt | Add To Cart | |
60 | 643235 - Clevis Shaft | Add To Cart | |
61 | 643747 - 90 Series Discharge Shield | Add To Cart | |
62 | 643632 - Vac Housing Pivot Mount | Add To Cart | |
63 | 260400 - Hitch Pin | Add To Cart | |
64 | 644553 - 93S Deck Stand Mount | Add To Cart | |
65 | 603808 - Deck Stand | Add To Cart | |
66 | 422175 - Handle Grip | Add To Cart | |
67 | 261624 - Linch Pin | Add To Cart | |
68 | 643166 - 9352 Right Front Mulch Shroud | Call For Details | |
69 | 643167 - 9352 Left Front Mulch Shroud | Call For Details | |
70 | 643684 - 9352 Discharge Filler | Call For Details | |
71 | 247253 - Carriage Bolt | Add To Cart | |
72 | 603280 - Mower Safety Decal Set | Add To Cart |