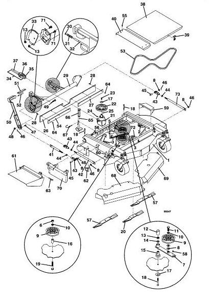
9548 48 Inch Deck - Year Model: 1997
Item # | Part Number - Description | Price | |
---|---|---|---|
1 | 603286 - DECK WELDMENT W/BELT COVER 9548 | Add To Cart | |
2 | 414696 - SHEAVE | Add To Cart | |
3 | 282630 - SPACER | Add To Cart | |
4 | 283820 - SPRING - EXTENSION W/SWIVEL | Add To Cart | |
5 | 730391 - J BOLT - IDLER ADJUSTMENT | Add To Cart | |
6 | 254470 - NUT | Add To Cart | |
7 | 824502 - IDLER ARM W/BEARING & PEDESTAL | Add To Cart | |
8 | 257062 - WASHER | Add To Cart | |
9 | 393225 - IDLER | Add To Cart | |
10 | 257432 - WASHER - LOCK | Add To Cart | |
11 | 243565 - HEX BOLT | Add To Cart | |
12 | 422098 - CAP VINYL 1.125 ID | Add To Cart | |
13 | 253043 - NUT WHIZ | Add To Cart | |
14 | 257040 - WASHER | Add To Cart | |
15 | 121650 - BEARING PEDESTAL | Add To Cart | |
16 | 902325 - SPACER - IDLER | Add To Cart | |
17 | 257041 - WASHER - CUPPED | Add To Cart | |
18 | 243365 - HEX BOLT | Add To Cart | |
19 | 243600 - HEX BOLT | Add To Cart | |
20 | 320231 - BLADE -15 MED LIFT | Call For Details | |
- | 320232 - BLADE -15 HIGH LIFT | Call For Details | |
- | 320233 - BLADE -15 CONTOUR | Call For Details | |
21 | 390024 - GEARBOX RT ANGLE CCW | Add To Cart | |
22 | 415886 - SHEAVE | Add To Cart | |
23 | 243331 - HEX BOLT | Add To Cart | |
24 | 281833 - KEY WOODRUFF | Add To Cart | |
25 | 281828 - KEY WOODRUFF | Add To Cart | |
26 | 424192 - FLAP DECK - 9348 | Add To Cart | |
27 | 782569 - STRAP - DEFLECTOR 9348 LT | Call For Details | |
28 | 253177 - BOLT WHIZ TRUSS | Add To Cart | |
29 | 603576 - LIFT ARM ASSY - 9548 | Call For Details | |
30 | 263490 - RETAINER EXTERNAL | Add To Cart | |
31 | 283285 - SPRING - COMPRESSION | Add To Cart | |
32 | 730433 - LATCH PIN - DECK MOUNT | Add To Cart | |
33 | 604520 - LEVER MOUNT - W/DECAL | Add To Cart | |
34 | 398525 - UN HALF SHAFT | Add To Cart | |
35 | 401010 - YOKE | Add To Cart | |
36 | 121010 - CROSS & BEARING | Add To Cart | |
37 | 402605 - YOKE & SHAFT | Add To Cart | |
38 | 604723 - SHIELD ASSY - 9548 LT | Call For Details | |
39 | 281301 - LATCH RUBBER DRAW | Add To Cart | |
40 | 722281 - SHIELD - BELT RT 9548/52 | Add To Cart | |
41 | 603562 - LINKAGE - LIFT LEVER | Add To Cart | |
42 | 603572 - LINKAGE ASSY - 9548/52 RT | Add To Cart | |
43 | 265565 - YOKE CLEVIS | Add To Cart | |
44 | 254493 - NUT | Add To Cart | |
45 | 261426 - CLEVIS PIN | Add To Cart | |
46 | 260650 - COTTER PIN | Add To Cart | |
47 | 261346 - CLEVIS PIN | Add To Cart | |
48 | 253930 - NUT LOCK | Add To Cart | |
49 | 243580 - HEX BOLT | Add To Cart | |
50 | 643529 - LEVER - DECK LIFT | Add To Cart | |
51 | 422155 - GRIP HANDLE | Add To Cart | |
52 | 422158 - GRIP HANDLE | Add To Cart | |
53 | 383008 - BELT | Add To Cart | |
54 | 774219 - STRAP - DEFLECTOR RT | Call For Details | |
55 | 253173 - BOLT WHIZ HEX | Add To Cart | |
56 | 254431 - NUT | Add To Cart | |
57 | 320236 - BLADE -18 MED LIFT | Call For Details | |
320239 - BLADE -18 HI-LIFT NOTCH | Call For Details | ||
320238 - BLADE -18 CONTOUR | Call For Details | ||
58 | 422520 - NYLON BEARING | Add To Cart | |
59 | 722249 - SHIELD - BELT LT | Add To Cart | |
60 | 643235 - SHAFT - CLEVIS | Add To Cart | |
61 | 644751 - SHIELD - DISCHARGE 95S | Add To Cart | |
62 | 643632 - MOUNT - PIVOT VAC HOUSING | Add To Cart | |
63 | 260400 - HITCH PIN | Add To Cart | |
64 | 253025 - NUT WHIZ | Add To Cart | |
65 | 603808 - DECK STAND | Add To Cart | |
66 | 422175 - GRIP HANDLE | Add To Cart | |
67 | 261624 - LINCH PIN | Add To Cart | |
68 | 643194 - Right Front Mulching Shroud 9548 | Add To Cart | |
69 | 643195 - Left Front Mulching Shroud 9548 | Add To Cart | |
70 | 643691 - DISCHARGE FILLER | Add To Cart | |
71 | 247253 - DISCHARGE BOLT | Add To Cart | |
72 | 414685 - SHEAVE | Add To Cart | |
73 | 603573 - LINKAGE ASSY - 9548/52 LT | Call For Details | |
74 | 603280 - DECAL SET - MOWER SAFETY | Add To Cart |