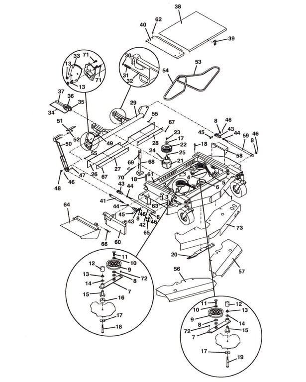
9552 52 Inch Deck - Year Model: 2000
Item # | Part Number - Description | Price | |
---|---|---|---|
1 | 603287 - Deck Weldment | Call For Details | |
2 | 415867 - Sheave | Add To Cart | |
3 | 282630 - Spacer | Add To Cart | |
4 | 283820 - Extension Spring w/Swivel | Add To Cart | |
5 | 730391 - Idler Adjustment J Bolt | Add To Cart | |
6 | 414696 - Sheave | Add To Cart | |
7 | 824502 - Idler Arm w/Bearing (includes items 15 & 72) | Add To Cart | |
8 | 257062 - Washer | Add To Cart | |
9 | 393225 - Idler | Add To Cart | |
10 | 257432 - Lock Washer | Add To Cart | |
11 | 243565 - Bolt | Add To Cart | |
12 | 422098 - Vinyl Cap | Add To Cart | |
13 | 253043 - Whiz Nut | Add To Cart | |
14 | 257040 - Flat Washer | Add To Cart | |
15 | 121650 - Bearing Pedestal | Add To Cart | |
16 | 902317 - Spacer - Idler Arm | Add To Cart | |
17 | 257041 - Cupped Washer | Add To Cart | |
18 | 243565 - Bolt | Add To Cart | |
19 | 243385 - Bolt | Add To Cart | |
20 | 320236 - Blade 18 Inch - Medium Lift (Uses 3) | Call For Details | |
- | 320239 - Blade 18 Inch - Notched High Lift (Uses 3) | Call For Details | |
- | 320238 - Blade 18 Inch - Contour (Uses 3) | Call For Details | |
21 | 390024 - Gear Box Right Angle CCW | Add To Cart | |
22 | 416130 - Sheave | Add To Cart | |
23 | 243331 - Bolt | Add To Cart | |
24 | 281833 - Woodruff Key | Add To Cart | |
25 | 281828 - Woodruff Key | Add To Cart | |
26 | 424193 - Deck Flap | Add To Cart | |
27 | 782595 - Deflector Strap - Right | Add To Cart | |
28 | 782568 - Deflector Strap - Left | Add To Cart | |
29 | 603577 - Lift Arm | Call For Details | |
30 | 263490 - External Retainer | Add To Cart | |
31 | 283285 - Spring | Add To Cart | |
32 | 730433 - Deck Mount Latch Pin | Add To Cart | |
33 | 726100 - Upper Lever Mount | Add To Cart | |
34 | 398525 - Half Shaft Assembly | Add To Cart | |
35 | 401010 - Yoke | Add To Cart | |
36 | 121010 - Cross & Bearing | Add To Cart | |
37 | 402605 - Yoke & Shaft | Add To Cart | |
38 | 604721 - Belt Shield Assembly | Add To Cart | |
39 | 281301 - Rubber Draw Latch | Add To Cart | |
40 | 722281 - Belt Shield - Right | Add To Cart | |
41 | 603562 - Linkage Assembly - Lift Lever (Includes 43&44) | Add To Cart | |
42 | 603572 - Linkage Arm - Right (Includes 43&44) | Add To Cart | |
43 | 265565 - Clevis Yoke | Add To Cart | |
44 | 254493 - Jam Nut | Add To Cart | |
45 | 261426 - Clevis Pin | Add To Cart | |
46 | 260650 - Cotter Pin | Add To Cart | |
47 | 261346 - Clevis Pin | Add To Cart | |
48 | 253930 - Lock Nut | Add To Cart | |
49 | 243580 - Bolt | Add To Cart | |
50 | 643529 - Deck Lift Lever | Add To Cart | |
51 | 422155 - Handle Grip | Add To Cart | |
52 | 422158 - Handle Grip | Add To Cart | |
53 | 382840 - Belt | Add To Cart | |
54 | 382810 - Belt | Add To Cart | |
55 | 253177 - Whiz Bolt | Add To Cart | |
56 | 643192 - Front Shroud - Right - Optional | Add To Cart | |
57 | 643193 - Front Shroud - Left - Optional | Add To Cart | |
58 | 722249 - Belt Shield - Left | Add To Cart | |
59 | 603573 - Linkage Arm - Left (Includes Items 43 & 44) | Call For Details | |
60 | 643691 - Discharge Restriction Plate - Optional | Add To Cart | |
61 | 254431 - Speed Nut | Add To Cart | |
62 | 253173 - Whiz Bolt | Add To Cart | |
63 | 643235 - Clevis Shaft | Add To Cart | |
64 | 644751 - Discharge Shield | Add To Cart | |
65 | 643632 - Pivot Mount | Add To Cart | |
66 | 260400 - Hitch Pin | Add To Cart | |
67 | 253025 - Whiz Nut | Add To Cart | |
68 | 603808 - Deck Stand (Includes Item 69) | Add To Cart | |
69 | 422175 - Handle Grip | Add To Cart | |
70 | 261624 - Linchpin | Add To Cart | |
71 | 243330 - Bolt | Add To Cart | |
72 | 422520 - Nylon Bearing | Add To Cart | |
73 | 644197 - Air Foil | Add To Cart | |
- | 603280 - (Item Not Pictured) Decal Set - Mower Safety | Add To Cart |