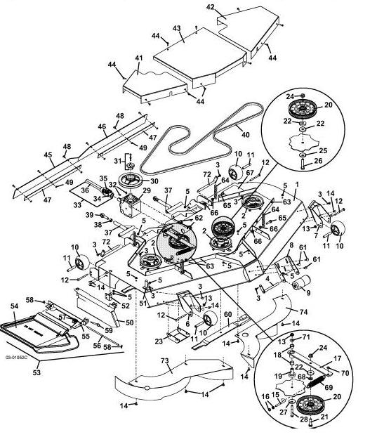
9772 Model Deck Mower Assembly - 2004
Click On a Part Number Below for Details
NOTE: If the part number you select is not linked to the shopping cart, call toll-free 866-698-4070 for availability.
Item # | Part Number - Description | Price | |
---|---|---|---|
1 | 643996 - MOWER DECK - 9722 | Call For Details | |
2 | 414745 - SHEAVE | Add To Cart | |
3 | 253192 - BOLT WHIZ HEX FLANGE | Add To Cart | |
4 | 644512 - LOCK PIN - ROLLER | Add To Cart | |
5 | 253035 - NUT WHIZ | Add To Cart | |
6 | 643842 - MOUNT - ANTI-SCALP ROLLER RT | Add To Cart | |
7 | 643695 - MOUNT - ANTI-SCALP ROLLER LT | Add To Cart | |
8 | 755071 - ROLLER MOUNT - M1 72 | Add To Cart | |
9 | 603725 - ROLLER - CENTER 2 PIECE ASSY | Add To Cart | |
10 | 484230 - WHEEL - ANTI-SCALP CTR HUB | Add To Cart | |
11 | 942137 - TUBE - BEARING | Add To Cart | |
12 | 247310 - CARRIAGE BOLT | Add To Cart | |
13 | 253043 - NUT WHIZ | Add To Cart | |
14 | 247130 - CARRIAGE BOLT | Add To Cart | |
15 | 730391 - J BOLT - IDLER ADJUSTMENT | Add To Cart | |
16 | 254450 - NUT | Add To Cart | |
17 | 824488 - IDLER ARM ASSY M1 52/61 | Add To Cart | |
18 | 121756 - BEARING - OILITE | Add To Cart | |
19 | 121650 - BEARING PEDESTAL | Add To Cart | |
20 | 393250 - IDLER | Add To Cart | |
21 | 243575 - HEX BOLT | Add To Cart | |
22 | 883804 - WASHER | Add To Cart | |
23 | 754149 - SHIELD - 9772 GEARBOX | Call For Details | |
24 | 253067 - NUT FLANGWE SPIRAL LOC | Add To Cart | |
25 | 257059 - WASHER | Add To Cart | |
26 | 243590 - HEX BOLT | Add To Cart | |
27 | 257041 - WASHER - CUPPED | Add To Cart | |
28 | 243365 - HEX BOLT | Add To Cart | |
29 | 390029 - GEARBOX RT ANGLE-STANDARD | Add To Cart | |
390030 - GEARBOX - RT ANDLGE HI-PERFORM | Call For Details | ||
30 | 416345 - SHEAVE | Add To Cart | |
31 | 417010 - BUSHING | Add To Cart | |
32 | 281839 - KEY WOODRUFF | Add To Cart | |
33 | 398529 - UN HALF SHAFT | Add To Cart | |
34 | 401013 - YOKE | Add To Cart | |
35 | 121010 - CROSS & BEARING | Add To Cart | |
36 | 402608 - YOKE AND SHAFT | Add To Cart | |
37 | 604672 - RADIUS ARM ASSY - 8 9772 | Add To Cart | |
38 | 254493 - NUT | Add To Cart | |
39 | 265665 - ROD END | Add To Cart | |
40 | 382099 - BELT | Add To Cart | |
41 | 723238 - SHIELD - BELT 9772 RIGHT | Add To Cart | |
42 | 723347 - SHIELD - BELT 9772 LEFT | Add To Cart | |
43 | 723369 - SHIELD - BELT 9772 CENTER | Add To Cart | |
44 | 253175 - BOLT WHIZ HEX | Add To Cart | |
45 | 424213 - FLAP - DECK - 9772 RIGHT | Add To Cart | |
46 | 424214 - FLAP - DECK - 9772 LEFT | Add To Cart | |
47 | 774337 - STRAP - DEFLECTOR M161/9772 | Add To Cart | |
48 | 253177 - BOLT WHIZ TRUSS | Add To Cart | |
49 | 253025 - NUT WHIZ | Add To Cart | |
50 | 644224 - END CAP - M1 MULCH | Add To Cart | |
51 | 643235 - SHAFT - CLEVIS | Add To Cart | |
52 | 643632 - MOUNT - PIVOT VAC HOUSING | Add To Cart | |
53 | 604749 - SHIELD - DISCHARGE | Add To Cart | |
54 | 422042 - MOUNT - FLEX DISCHARGE | Add To Cart | |
55 | 644767 - MOUNT - FLEX DISCHARGE SHIELD | Add To Cart | |
56 | 780650 - PIN - FLEX DISCHARGE SHIELD | Add To Cart | |
57 | 284406 - SPRING - TORSION | Add To Cart | |
58 | 260608 - RING COTTER | Add To Cart | |
59 | 260400 - HITCH PIN | Add To Cart | |
60 | 320253 - BLADE -25 HI-LIFT NOTCH | Call For Details | |
320250 - BLADE -25 MED LIFT | Call For Details | ||
320252 - BLADE -25 CONTOUR | Call For Details | ||
320254 - BLADE -25 EXTREME HI-LIFT | Call For Details | ||
61 | 247253 - CARRIAGE BOLT | Add To Cart | |
62 | 253200 - BOLT WHIZ | Add To Cart | |
63 | 254431 - NUT | Add To Cart | |
64 | 820331 - CHAIN -5 LINKS M1 | Add To Cart | |
65 | 243458 - HEX BOLT GR 8 | Add To Cart | |
66 | 253058 - NUT WHIZ | Add To Cart | |
67 | 420901 - TREND - STEP | Add To Cart | |
68 | 257062 - WASHER | Add To Cart | |
69 | 283848 - SPRING - EXTENSION | Add To Cart | |
70 | 422520 - NYLON BEARING | Add To Cart | |
71 | 257040 - WASHER | Add To Cart | |
72 | 644636 - PIN - RADIUS ARM 9772 | Add To Cart | |
73 | 644612 - MULCH PLATE - M1 72 RIGHT | Call For Details | |
74 | 644613 - MULCH PLATE - M1 72 LEFT | Call For Details | |
75 | 603280 - DECAL SET - MOWER SAFETY | Add To Cart |