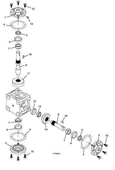
9772 Model Deck Right Angle Gearbox Assembly - 2005
Click On a Part Number Below for Details
NOTE: If the part number you select is not linked to the shopping cart, call toll-free 866-698-4070 for availability.
Item # | Part Number - Description | Price | |
---|---|---|---|
1 | 392055 - CAP THRU WVENT | Call For Details | |
2 | 392056 - CAP THRU | Add To Cart | |
3 | 392057 - CAP BLANK | Call For Details | |
4 | 420403 - GASKET SHIM | Add To Cart | |
420402 - GASKET SHIM | Add To Cart | ||
420401 - GASKET SHIM | Call For Details | ||
5 | 125384 - SEAL | Add To Cart | |
6 | 123522 - BEARING CUP | Add To Cart | |
7 | 122522 - BEARING - TAPER | Add To Cart | |
8 | 393615 - SHAFT THRU SPLINED | Call For Details | |
9 | 393582 - SHAFT SPLINED | Call For Details | |
10 | 392530 - GEAR BEVEL RH 33 TEETH | Call For Details | |
392532 - GEAR LH 24 TEETH | Call For Details | ||
11 | 392531 - GEAR BEVEL RH 39 TEETH | Call For Details | |
392533 - GEAR RH 36 TAPER | Call For Details | ||
12 | 123510 - BEARING CUP | Call For Details | |
13 | 122510 - BEARING TAPER | Call For Details | |
14 | 365505 - PLUG - VENT | Call For Details | |
15 | 253192 - BOLT WHIZ HEX FLANGE | Add To Cart | |
16 | 281839 - KEY WOODRUFF | Add To Cart | |
17 | 390029 - GEARBOX - RT ANGLE-STANDARD | Add To Cart | |
18 | 390030 - GEARBOX - RT ANGLE HI-PERFORM | Call For Details |