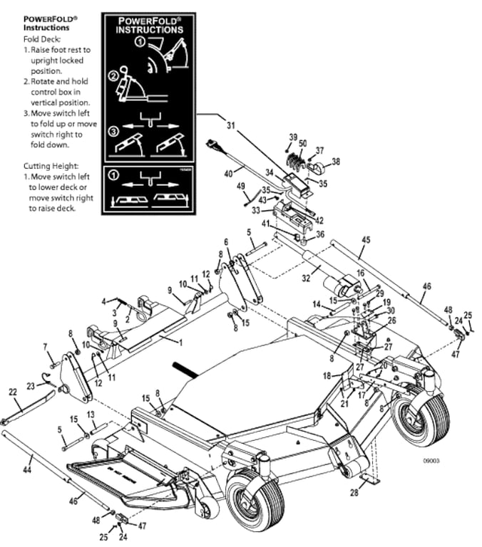
Lift Arm with Optional Electric Powerfold Actuator 3472R Deck - 2009
Click On a Part Number Below for Details
NOTE: If the part number you select is not linked to the shopping cart,call toll-free 866-698-4070 for availability.
Item # | Part Number - Description | Price | |
---|---|---|---|
1 | 604500 - 3472 Lift Arm Assembly | Add To Cart | |
2 | 730433 - Deck Mount Latch Pin | Add To Cart | |
3 | 283285 - Compression Spring | Add To Cart | |
4 | 263490 - External Retainer | Add To Cart | |
5 | 243635 - Hex Bolt | Add To Cart | |
6 | 284423 - Torsion Spring | Add To Cart | |
7 | 243581 - Grade 5 Hex Bolt | Add To Cart | |
8 | 253930 - Lock Nut | Add To Cart | |
9 | 261362 - Clevis Pin | Add To Cart | |
10 | 262950 - Push-On Retainer | Add To Cart | |
11 | 257040 - Washer | Add To Cart | |
12 | 260523 - Hair Pin | Add To Cart | |
13 | 902002 - 3472 right Lift Arm Pivot Tube | Add To Cart | |
14 | 902001 - 3472 left Lift Arm Pivot Tube | Add To Cart | |
15 | 257060 - Washer | Add To Cart | |
16 | 243640 - Hex Bolt | Add To Cart | |
17 | 774672 - 3472 Powerfold Cut Height Arm | Call For Details | |
18 | 729498 - 3472 Powerfold Cut Height Plate | Call For Details | |
- | 162210 - 3472 Cutting Height Decal | Call For Details | |
19 | 774673 - 3472 Powerfold Cut Height Pointer | Add To Cart | |
20 | 253173 - Hex Whiz Bolt | Add To Cart | |
21 | 253025 - Whiz Nut | Add To Cart | |
22 | 783068 - Standard Traction Kit Tool | Add To Cart | |
23 | 261624 - Linch Pin | Add To Cart | |
24 | 257063 - Washer | Add To Cart | |
25 | 260650 - Cotter Pin | Add To Cart | |
26 | 644056 - 34 Electric Lift Actuator Mount | Add To Cart | |
27 | 900142 - Electric Lift Actuator Mount Spacer | Add To Cart | |
28 | 776089 - 34 Actuator Threaded Plate | Add To Cart | |
29 | 253193 - Hex Flange Whiz Bolt | Add To Cart | |
30 | 243580 - Hex Bolt | Add To Cart | |
31 | 165430 - Powerfold Pictorial Decal | Add To Cart | |
32 | 180035 - 12 volt Actuator | Add To Cart | |
- | 182540 - Electric Motor | Add To Cart | |
33 | 644805 - Electric Lift Switch Mount | Add To Cart | |
34 | 722005 - Electric Lift Switch Shield | Add To Cart | |
35 | 250169 - Hex Machine Screw | Add To Cart | |
36 | 424056 - Bumper with Stud | Add To Cart | |
37 | 253035 - Whiz Nut | Add To Cart | |
38 | 732315 - Power Fold Height Adjustment Spacer Mount | Add To Cart | |
39 | 902297 - .25 THK Spacer | Add To Cart | |
40 | 605965 - Deck Tilt/Height Adjustment Wiring Assembly | Add To Cart | |
41 | 183867 - Snap Mount Plunger SPST NC Switch | Add To Cart | |
42 | 184084 - Toggle | Add To Cart | |
43 | 425200 - Toggle Switch Boot | Add To Cart | |
44 | 645178 - 3472 Right Lift Linkage Tube | Call For Details | |
45 | 645179 - 3472 left Lift Linkage Tube | Add To Cart | |
46 | 830010 - 3472 Linkage Rod | Call For Details | |
47 | 645177 - 3472 Lift Rod Bracket | Add To Cart | |
48 | 254490 - Nut | Add To Cart | |
49 | 423149 - Releasable Wire Tie | Add To Cart | |
50 | 423697 - PowerFold Height Adjustment Spacer | Add To Cart |