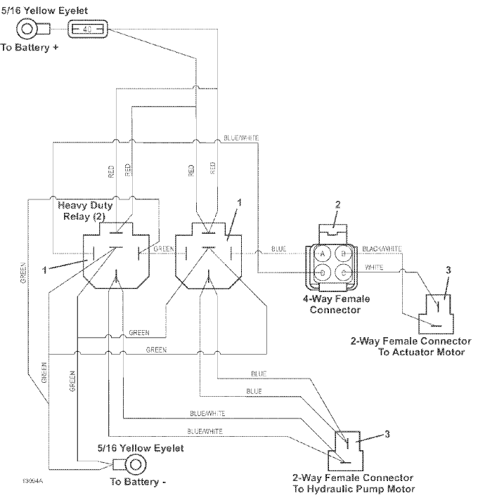
Model 15B HL Mount Kit - Wiring Diagram
Click On a Part Number Below for Details
NOTE: If the part number you select is not linked to the shopping cart,Call Toll-Free 866-698-4070 for availability.
| Item # | Part Number - Description | Price | |
|---|---|---|---|
| 1 | 184274 - 12V DC Heavy Duty Relay | Call For Details | |
| 2 | 184976 - 4-Way Female Connector | Add To Cart | |
| 3 | 184917 - 2-Way Female Connector | Add To Cart | |
| - | 422275 - Flex Guard Loom | Add To Cart | |
| - | 422280 - Flex Guard Loom | Call For Details | |
| - | 423148 - Reel Tie | Call For Details | |
| 4 | 605982 - High Lift Hopper Kit Wiring Assembly | Call For Details |