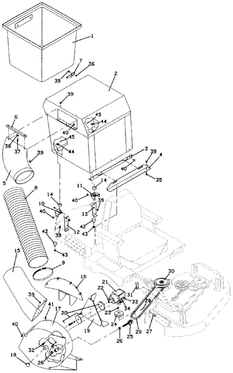
Model 35 /41 Vacuum & Hopper - Model 35 /41 Vacuum & Hopper Assembly
Click On a Part Number Below for Details
NOTE: If the part number you select is not linked to the shopping cart,call toll-free 866-698-4070 for availability.
| Item # | Part Number - Description | Price | |
|---|---|---|---|
| 1 | 603242 - Grass Container Assembly | Call For Details | |
| 2 | 643445 - 400 Vac Hopper Housing | Call For Details | |
| 3 | 729278 - Grasscatcher Upper Front Mount | Call For Details | |
| 4 | 729305 - Grasscatcher Lower Front Mount | Call For Details | |
| 5 | 821005 - Vacuum Hose Inlet Adapter | Add To Cart | |
| 6 | 822410 - Battery Hold Down | Add To Cart | |
| 7 | 729040 - Grasscatcher Latch | Call For Details | |
| 8 | 424390 - 34' Flex Hose | Call For Details | |
| 9 | 280345 - 6' Hose Clamp | Add To Cart | |
| 10 | 643613 - Hopper Right Rear Mount | Call For Details | |
| - | 643124 - 411R Right Rear Mount | Call For Details | |
| 11 | 643614 - Hopper Left Rear Mount | Call For Details | |
| - | 643125 - 411R Left Rear Mount | Call For Details | |
| 12 | 729038 - 411 Right Hood Reinforcement | Call For Details | |
| - | 724133 - 411R Right Hood Reinforcement | Call For Details | |
| 13 | 729039 - 411 Left Hood Reinforcement | Call For Details | |
| - | 724134 - 411R Left Hood Reinforcement | Call For Details | |
| 14 | 257037 - Step Bushing | Add To Cart | |
| 15 | 422019 - 400 Vac Hose Adapter | Call For Details | |
| 16 | 643758 - 400 Vac Side Plate | Call For Details | |
| 17 | 643403 - 411 Vac Housing | Call For Details | |
| 18 | 422075 - 1' Plastic Hole Plug | Call For Details | |
| 19 | 643330 - 241 Vac Fan | Call For Details | |
| 20 | 388900 - Blade Adapter Assembly | Call For Details | |
| 21 | 390021 - Right Angle CounterClockWise (CCW) Gearbox | Add To Cart | |
| 22 | 281828 - Woodruff Key | Add To Cart | |
| 23 | 281833 - Woodruff Key | Add To Cart | |
| 24 | 415815 - Sheave | Call For Details | |
| 25 | 643960 - Housing Mount Yoke | Call For Details | |
| 26 | 254470 - Nut | Add To Cart | |
| 27 | 261424 - Clevis Pin | Call For Details | |
| 28 | 260525 - Hair Pin | Add To Cart | |
| 29 | 382775 - Belt (for 35' decks) | Add To Cart | |
| - | 382825 - Belt (for 41' decks) | Add To Cart | |
| 30 | 416119 - Sheave | Add To Cart | |
| 31 | 722025 - 400 Deck Belt Retainer | Call For Details | |
| 32 | 243330 - Hex Bolt | Add To Cart | |
| 33 | 254450 - Nut | Add To Cart | |
| 34 | 257412 - Lock Washer | Add To Cart | |
| 35 | 253175 - Hex Whiz Bolt | Add To Cart | |
| 36 | 253440 - Nylon Insert Nut | Add To Cart | |
| 37 | 243025 - Hex Bolt | Call For Details | |
| 38 | 257020 - Washer | Add To Cart | |
| 39 | 253025 - Whiz Nut | Add To Cart | |
| 40 | 253176 - Truss Whiz Bolt | Add To Cart | |
| 41 | 253173 - Hex Whiz Bolt | Add To Cart | |
| 42 | 424052 - Rubber Bumper | Add To Cart | |
| 43 | 253035 - Whiz Nut | Add To Cart | |
| 44 | 257040 - Washer | Add To Cart | |
| 45 | 260523 - Hair Pin | Add To Cart |