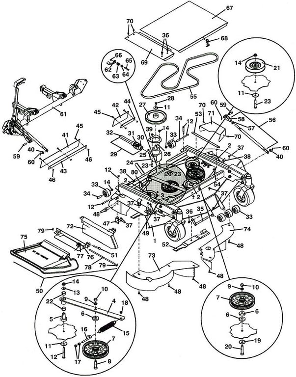
Mower Assembly Grasshopper 9852 Deck - 2002
Click On a Part Number Below for Details
NOTE: If the part number you select is not linked to the shopping cart, call toll-free 866-698-4070 for availability.
Item # | Part Number - Description | Price | |
---|---|---|---|
1 | 644142 - 9852 Mower Deck Weldment | Call For Details | |
2 | 415892 - Sheave | Add To Cart | |
3 | 282630 - Spacer | Add To Cart | |
4 | 824489 - 9852 Idler Arm | Add To Cart | |
5 | 121650 - Pedestal Bearing | Add To Cart | |
6 | 883804 - Washer | Add To Cart | |
7 | 393250 - Idler | Add To Cart | |
8 | 243580 - Hex Bolt | Add To Cart | |
9 | 257432 - Lock Washer | Add To Cart | |
10 | 254470 - Nut | Add To Cart | |
11 | 257041 - Cupped Washer | Add To Cart | |
12 | 243365 - Hex Bolt | Add To Cart | |
13 | 257040 - Washer | Add To Cart | |
14 | 253043 - Whiz Nut | Add To Cart | |
15 | 283848 - Extension Spring | Add To Cart | |
16 | 730391 - Idler Adjustment J Bolt | Add To Cart | |
17 | 254450 - Nut | Add To Cart | |
18 | 422520 - Nylon Bearing | Add To Cart | |
19 | 257059 - Washer | Add To Cart | |
20 | 243590 - Hex Bolt | Add To Cart | |
21 | 393376 - Idler | Add To Cart | |
22 | 121756 - Oilite Bearing | Add To Cart | |
23 | 243350 - Hex Bolt | Add To Cart | |
24 | 390024 - Right Angle Counter-Clockwise Gearbox | Add To Cart | |
25 | 281833 - Woodruff Key | Add To Cart | |
26 | 281828 - Woodruff Key | Add To Cart | |
27 | 415895 - Sheave | Add To Cart | |
28 | 243331 - Hex Bolt | Add To Cart | |
29 | 398528 - UN Half Shaft | Add To Cart | |
30 | 401010 - Yoke | Add To Cart | |
31 | 121010 - Cross Bearing | Add To Cart | |
32 | 402608 - Yoke Shaft | Add To Cart | |
33 | 426122 - Roller | Add To Cart | |
34 | 902284 - Roller Mount Spacer | Add To Cart | |
35 | 644512 - Roller Lock Pin | Add To Cart | |
36 | 253192 - Hex Flange Whiz Bolt | Add To Cart | |
37 | 253035 - Whiz Nut | Add To Cart | |
38 | 254431 - Speed Nut | Add To Cart | |
39 | 901660 - 9852 Gear Box Spacer | Call For Details | |
40 | 257062 - Washer | Add To Cart | |
41 | 424211 - 9852 Deck Flap - right | Add To Cart | |
42 | 424212 - 9852 Deck Flap - left | Add To Cart | |
43 | 774224 - 9852 Deflector Strap - right | Add To Cart | |
44 | 774070 - Deflector Strap - left | Add To Cart | |
45 | 253177 - Truss Whiz Bolt | Add To Cart | |
46 | 253025 - Whiz Nut | Add To Cart | |
47 | 643632 - Vac Housing Pivot Mount | Add To Cart | |
48 | 247130 - Carriage Bolt | Add To Cart | |
49 | 643235 - Clevis Shaft | Add To Cart | |
50 | 604749 - Discharge Shield Flex Assembly | Add To Cart | |
51 | 260400 - Hitch Pin | Add To Cart | |
52 | 320236 - Blade - 18 Inch - Medium Lift (3 required) | Call For Details | |
- | 320238 - Blade - 18 Inch - Contour (3 required) | Call For Details | |
- | 320239 - Blade - 18 Inch - Notched Hi-Lift (3 required) | Call For Details | |
- | 320241 - Blade - 18 Inch - Extreme Hi-Lift (3 required) | Call For Details | |
53 | 723079 - 9852 Angle Shield Support | Call For Details | |
54 | 243016 - Hex Bolt | Add To Cart | |
55 | 382084 - Belt | Add To Cart | |
56 | 603600 - 9852 Deck Linkage Assembly - left | Add To Cart | |
57 | 254493 - Nut | Add To Cart | |
58 | 265565 - Clevis Yoke | Add To Cart | |
59 | 261426 - Clevis Pin | Add To Cart | |
60 | 260650 - Cotter Pin | Add To Cart | |
61 | 604553 - 9852 Lift Arm Assembly | Call For Details | |
62 | 732879 - 98S Slip Yoke Clamp | Call For Details | |
63 | 283324 - Compression Spring | Add To Cart | |
64 | 257030 - Washer | Add To Cart | |
65 | 253192 - Hex Flange Whiz Bolt | Add To Cart | |
66 | 253450 - Nut w/Nylon Insert | Add To Cart | |
67 | 604757 - 9852 Center Shield Assembly | Call For Details | |
68 | 281301 - Rubber Draw Latch | Add To Cart | |
69 | 722339 - 9852 Belt Shield - right | Add To Cart | |
70 | 253173 - Hex Whiz Bolt | Add To Cart | |
71 | 722329 - Belt Shield - left | Add To Cart | |
72 | 644224 - M1 Mulch End Cap | Add To Cart | |
73 | 644608 - M1 52 Mulch Plate - right | Add To Cart | |
74 | 644609 - M1 Mulch Plate - left | Add To Cart | |
75 | 422042 - Flex Discharge Shield | Add To Cart | |
76 | 644767 - Flex Discharge Shield Mount | Add To Cart | |
77 | 284406 - Torsion Spring | Add To Cart | |
78 | 780650 - Flex Discharge Shield Pin | Add To Cart | |
79 | 260608 - Cotter Ring | Add To Cart | |
80 | 729003 - Belt Guide | Call For Details | |
81 | 603282 - SL96/98 Mower Safety Decal Set | Add To Cart |