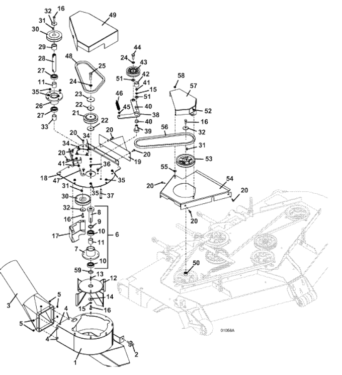
Vacuum and Drive Assembly for FrontMount Mowers - Model 972(SN 5500000 & Above)
Click On a Part Number Below for Details
NOTE: If the part number you select is not linked to the shopping cart,Call Toll-Free 866-698-4070 for availability.
Item # | Part Number - Description | Price | |
---|---|---|---|
1 | 644335 - Blower Housing | Add To Cart | |
2 | 252821 - 3 Prong HD Deck Stud | Add To Cart | |
3 | 422020 - Hose Adapter Tube | Add To Cart | |
4 | 253177 - Truss Whiz Bolt | Add To Cart | |
5 | 253025 - Whiz Nut | Add To Cart | |
6 | 604795 - Vac Fan Spindle Assembly | Add To Cart | |
7 | 320522 - Vac Fan Spindle Housing | Add To Cart | |
8 | 604765 - Vac Spindle Shaft | Add To Cart | |
9 | 257106 - Washer | Add To Cart | |
10 | 110080 - Ball Bearing | Add To Cart | |
11 | 903650 - Drive Bearing Spacer | Add To Cart | |
12 | 824533 - 25MM Vacuum Fan | Add To Cart | |
13 | 281583 - Key Square | Add To Cart | |
14 | 774020 - Washer | Add To Cart | |
15 | 257412 - Lock Washer | Add To Cart | |
16 | 243331 - Hex Bolt | Add To Cart | |
17 | 644783 - Drive Belt Shield | Add To Cart | |
18 | 643853 - M1 Vacuum Blower Top | Call For Details | |
19 | 722384 - M172 Vacuum Belt Guard | Call For Details | |
20 | 253175 - Hex Whiz Bolt | Add To Cart | |
21 | 415845 - Sheave | Add To Cart | |
22 | 421200 - Fiber Washer | Add To Cart | |
23 | 257061 - Washer | Add To Cart | |
24 | 257432 - Lock Washer | Add To Cart | |
25 | 243581 - Grade 5 Hex Bolt | Add To Cart | |
26 | 320525 - Spindle Housing | Call For Details | |
27 | 110081 - Ball Bearing | Add To Cart | |
28 | 882093 - M1 Vac Shaft | Add To Cart | |
29 | 902648 - Vac Spindle Spacer | Add To Cart | |
30 | 414696 - Sheave | Add To Cart | |
31 | 281580 - Key Square | Add To Cart | |
32 | 257041 - Cupped Washer | Add To Cart | |
33 | 902645 - Vacuum Spindle Lower Spacer | Call For Details | |
34 | 253193 - Hex Flange Whiz Bolt | Add To Cart | |
35 | 253035 - Whiz Nut | Add To Cart | |
36 | 253191 - Hex Flange Whiz Bolt | Add To Cart | |
37 | 243360 - Hex Bolt | Add To Cart | |
38 | 824537 - M1 Vac Idler Arm | Add To Cart | |
39 | 121650 - Pedestal Bearing | Add To Cart | |
40 | 121756 - Oilite Bearing | Add To Cart | |
41 | 254450 - Nut | Add To Cart | |
42 | 422098 - Vinyl Cap | Add To Cart | |
43 | 393200 - Idler | Add To Cart | |
44 | 243565 - Hex Bolt | Add To Cart | |
45 | 422520 - Nylon Bearing | Add To Cart | |
46 | 283820 - Extension Spring with Swivel | Add To Cart | |
47 | 730391 - Idler Adjustment J Bolt | Add To Cart | |
48 | 382750 - Belt | Add To Cart | |
49 | 644787 - M1 Blower Belt Shield | Add To Cart | |
50 | 604773 - Spindle Shaft Assembly | Add To Cart | |
51 | 257062 - Washer | Add To Cart | |
52 | 254443 - Nut | Add To Cart | |
53 | 414709 - Sheave | Add To Cart | |
54 | 643847 - 9772 Vac Belt Mount Shield | Add To Cart | |
55 | 257030 - Washer | Add To Cart | |
56 | 382754 - Vac Belt | Add To Cart | |
57 | 722396 - M172 Vacuum Drive Shield | Add To Cart | |
58 | 253450 - Nylon Insert Nut | Add To Cart | |
59 | 257104 - Washer | Add To Cart |