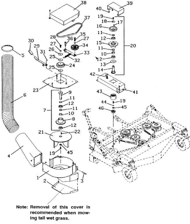
Vacuum and Drive Assembly for FrontMount Mowers - Models 944 948 952 961Serial Number 329999 & Below(1 Inch)
Click On a Part Number Below for Details
NOTE: If the part number you select is not linked to the shopping cart,Call Toll-Free 866-698-4070 for availability.
| Item # | Part Number - Description | Price | |
|---|---|---|---|
| 1 | 643434 - 90S Vac Housing | Call For Details | |
| 2 | 724261 - Blower Chute Cover | Add To Cart | |
| 3 | 260400 - Hitch Pin | Add To Cart | |
| 4 | 422020 - Hose Adapter Tube | Add To Cart | |
| 5 | 280345 - 6' Hose Clamp | Add To Cart | |
| 6 | 424408 - 57' Flex Hose | Add To Cart | |
| 7 | 603797 - Vac Fan Spindle Assembly | Add To Cart | |
| 8 | 320522 - Vac Fan Spindle Housing | Add To Cart | |
| 9 | 321170 - Vac Blower Spindle Shaft | Add To Cart | |
| 10 | 282630 - Spacer | Add To Cart | |
| 11 | 257106 - Washer | Add To Cart | |
| 12 | 120080 - Ball Bearing | Add To Cart | |
| 13 | 770045 - Washer | Add To Cart | |
| 14 | 603770 - Vac Spindle Shaft | Add To Cart | |
| - | 261061 - Roll Pin | Add To Cart | |
| - | 831036 - Upper Flex Coupler | Add To Cart | |
| - | 882050 - Spindle Shaft | Call For Details | |
| 15 | 320525 - Spindle Housing | Call For Details | |
| 16 | 831435 - Sheave (Used on 48 Inch/52 Inch Deck) | Add To Cart | |
| - | 831438 - Sheave (Used on 61 Inch Deck) | Add To Cart | |
| 17 | 281580 - Key Square | Add To Cart | |
| 18 | 257041 - Cupped Washer | Add To Cart | |
| 19 | 243331 - Hex Bolt | Add To Cart | |
| 20 | 603792 - 52 Inch Vac Drive Spindle | Call For Details | |
| - | 603791 - 61 Inch Vac Drive Spindle | Add To Cart | |
| 21 | 824518 - 1' Vacuum Fan | Add To Cart | |
| 22 | 281583 - Key Square | Add To Cart | |
| 23 | 643813 - 90S Vacuum Blower Top | Add To Cart | |
| 24 | 415845 - Sheave | Add To Cart | |
| 25 | 421200 - Fiber Washer | Add To Cart | |
| 26 | 257061 - Washer | Add To Cart | |
| 27 | 257432 - Lock Washer | Add To Cart | |
| 28 | 243581 - Grade 5 Hex Bolt | Add To Cart | |
| 29 | 643042 - Belt Tensioner Arm | Add To Cart | |
| 30 | 422150 - Handle Grip | Add To Cart | |
| 31 | 260652 - Cotter Pin | Add To Cart | |
| 32 | 283820 - Extension Spring with Swivel | Add To Cart | |
| 33 | 603043 - Quik-D-Tatch Vac Idler Arm | Add To Cart | |
| 33 | 422580 - Nylon Bearing | Add To Cart | |
| 34 | 393200 - Idler | Add To Cart | |
| 35 | 243565 - Hex Bolt | Add To Cart | |
| 36 | 259745 - Shoulder Bolt | Add To Cart | |
| 37 | 382745 - Vac Belt (Used on 44' Vacs) | Add To Cart | |
| - | 382753 - Vac Belt (Used on 48 Inch/52 Inch Vacs) | Add To Cart | |
| - | 382767 - Vac Belt (Used on 61 Inch Vacs) | Add To Cart | |
| 38 | 643763 - 52 Inch Vacuum Belt Shield | Add To Cart | |
| - | 643802 - 961 Vacuum Belt Shield | Add To Cart | |
| 39 | 643750 - Vacuum Drive Shield | Add To Cart | |
| 40 | 424015 - Rubber Bumper | Add To Cart | |
| 41 | 643286 - 948/952 Vac Drive Mount | Add To Cart | |
| - | 643287 - 961 Vac Drive Mount | Add To Cart | |
| 42 | 281301 - Rubber Draw Latch | Add To Cart | |
| 43 | 388560 - Nylon Coupler Sleeve | Add To Cart | |
| 44 | 257412 - Lock Washer | Add To Cart | |
| 45 | 774020 - Washer | Add To Cart | |
| 46 | 831038 - Lower Flex Coupler | Add To Cart |